lemon-mirror:
Home >> Mazda >> 2003 >> Protege5 Automatic >> Repair and Diagnosis >> Brakes >> Traction Control >> Antilock Brake System >> Abs System Diagram

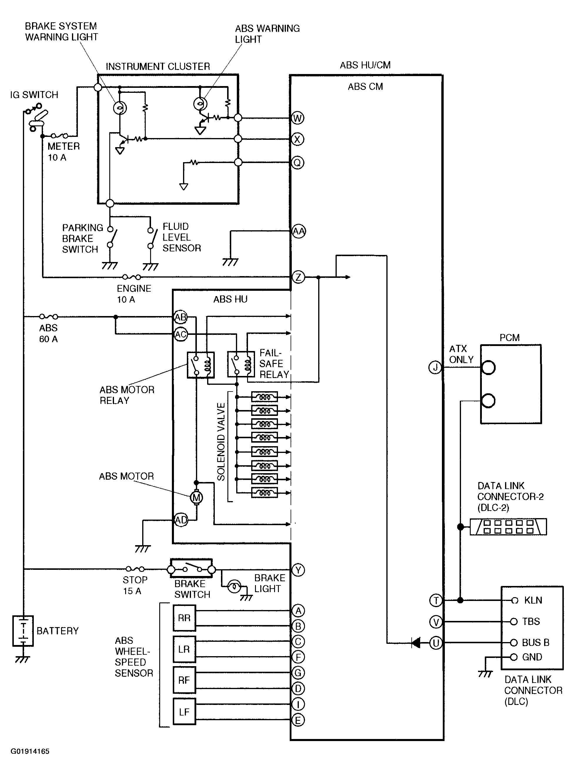
Abs System Diagram

Fig 1: ABS System Diagram
G01914165Courtesy of MAZDA MOTORS CORP.