lemon-mirror:
Home >> Mazda >> 2003 >> Protege5 Automatic >> Repair and Diagnosis >> Engine Mechanical >> Lubrication System >> Lubrication >> Oil Pump Disassembly/Assembly >> Notes

Oil Pump Disassembly/Assembly: Notes

  1. Remove the oil pump. (See OIL PUMP REMOVAL/INSTALLATION .)
  2. Disassemble in the order indicated in the figure.
    Fig 1: Identifying Components Of Oil Pump - ZM (1 Of 2)
    G01913417Courtesy of MAZDA MOTORS CORP.
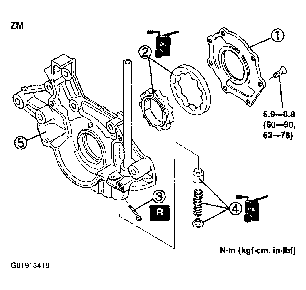
    Fig 2: Identifying Components Of Oil Pump - ZM (2 Of 2)
    G01913418Courtesy of MAZDA MOTORS CORP.
    Fig 3: Identifying Components Of Oil Pump - FS (1 Of 2)
    G01913419Courtesy of MAZDA MOTORS CORP.
    Fig 4: Identifying Components Of Oil Pump - FS (2 Of 2)
    G01913420Courtesy of MAZDA MOTORS CORP.
  3. Assemble in the reverse order of disassembly.