lemon-mirror:
Home >> Mazda >> 2004 >> B2300 Base, Automatic >> Repair and Diagnosis >> External Pages >> Different car >> Section 249 (Antilock Brake System) >> Abs System Diagram

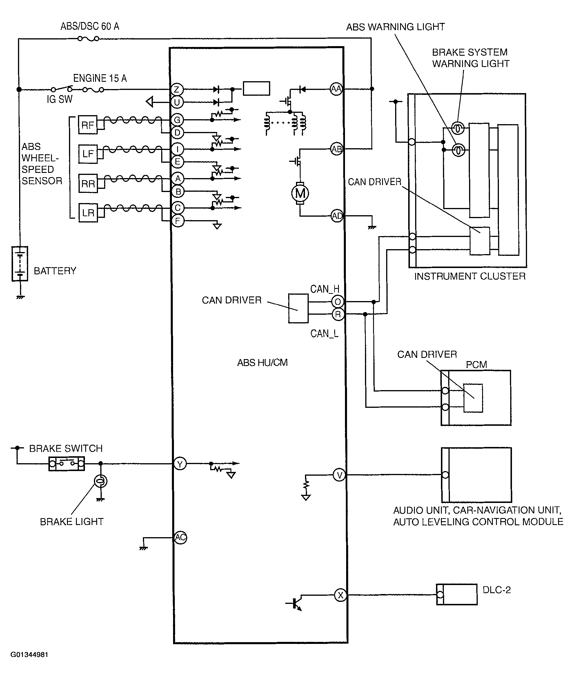
Abs System Diagram

WARNING: This page is about a different car, the 2004 Mazda RX-8. However, it is still accessible from the selected car via links, so may be relevant.
Fig 1: ABS System Diagram
G01344981Courtesy of MAZDA MOTORS CORP.