lemon-mirror:
Home >> Mazda >> 2004 >> MPV ES >> Repair and Diagnosis >> Body & Frame >> Seats >> Third-Row Seat Disassembly/Assembly

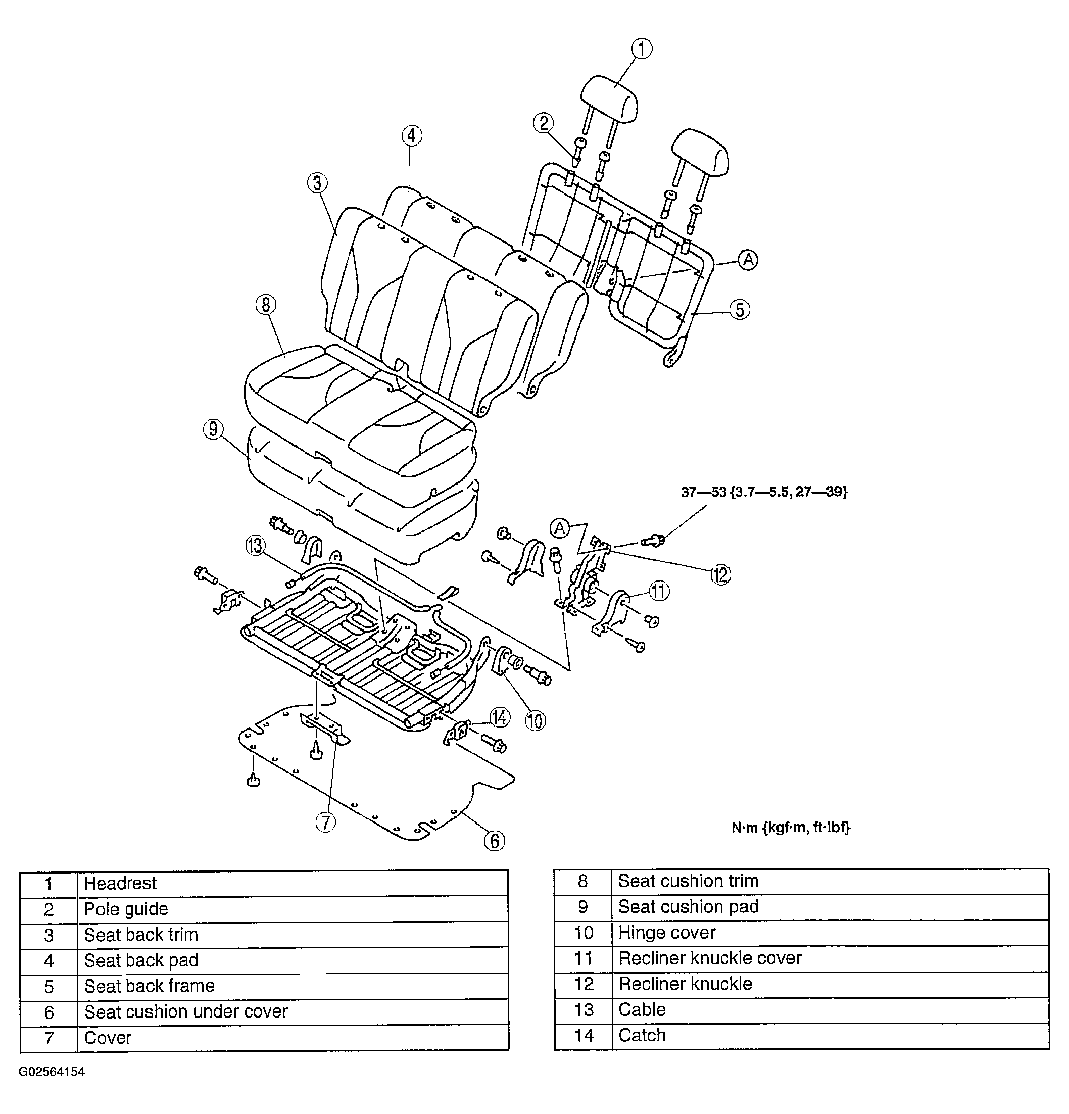
Third-Row Seat Disassembly/Assembly

  1. Disassemble in the order indicated in the figure.
    Fig 1: Disassembling/Assembling Third-Row Seat
    G02564154Courtesy of MAZDA MOTORS CORP.
  2. Assemble in the reverse order of disassembly.