lemon-mirror:
Home >> Mazda >> 2004 >> MPV ES >> Repair and Diagnosis >> Brakes >> Traction Control >> Antilock Brake System >> Abs System Diagram

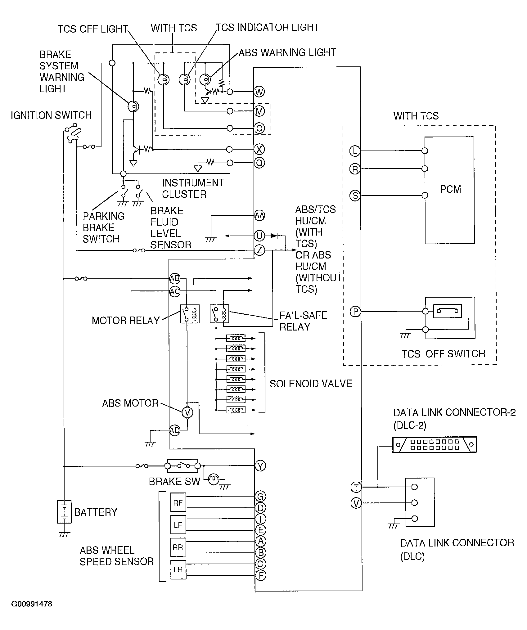
Abs System Diagram

Fig 1: ABS System Diagram
G00991478Courtesy of MAZDA MOTORS CORP.