lemon-mirror:
Home >> Mazda >> 2004 >> MPV ES >> Repair and Diagnosis >> Electrical >> Body Electrical >> OEM Connector End Views >> Connector End Views >> Easy Closure Control Module Connector End View

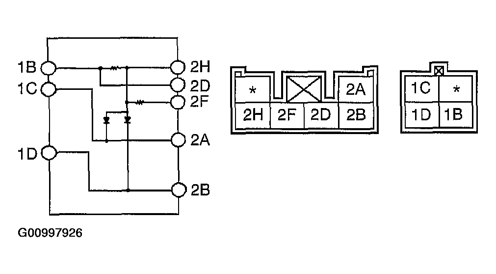
Easy Closure Control Module Connector End View

Fig 1: Easy Closure Control Module Connector End View
G00997926Courtesy of MAZDA MOTORS CORP.