lemon-mirror:
Home >> Mazda >> 2005 >> 6 s, 4D Hatchback, Automatic >> Repair and Diagnosis >> Engine Performance >> Engine Control Systems >> Engine Control System (AJ) >> Control System Wiring Diagram

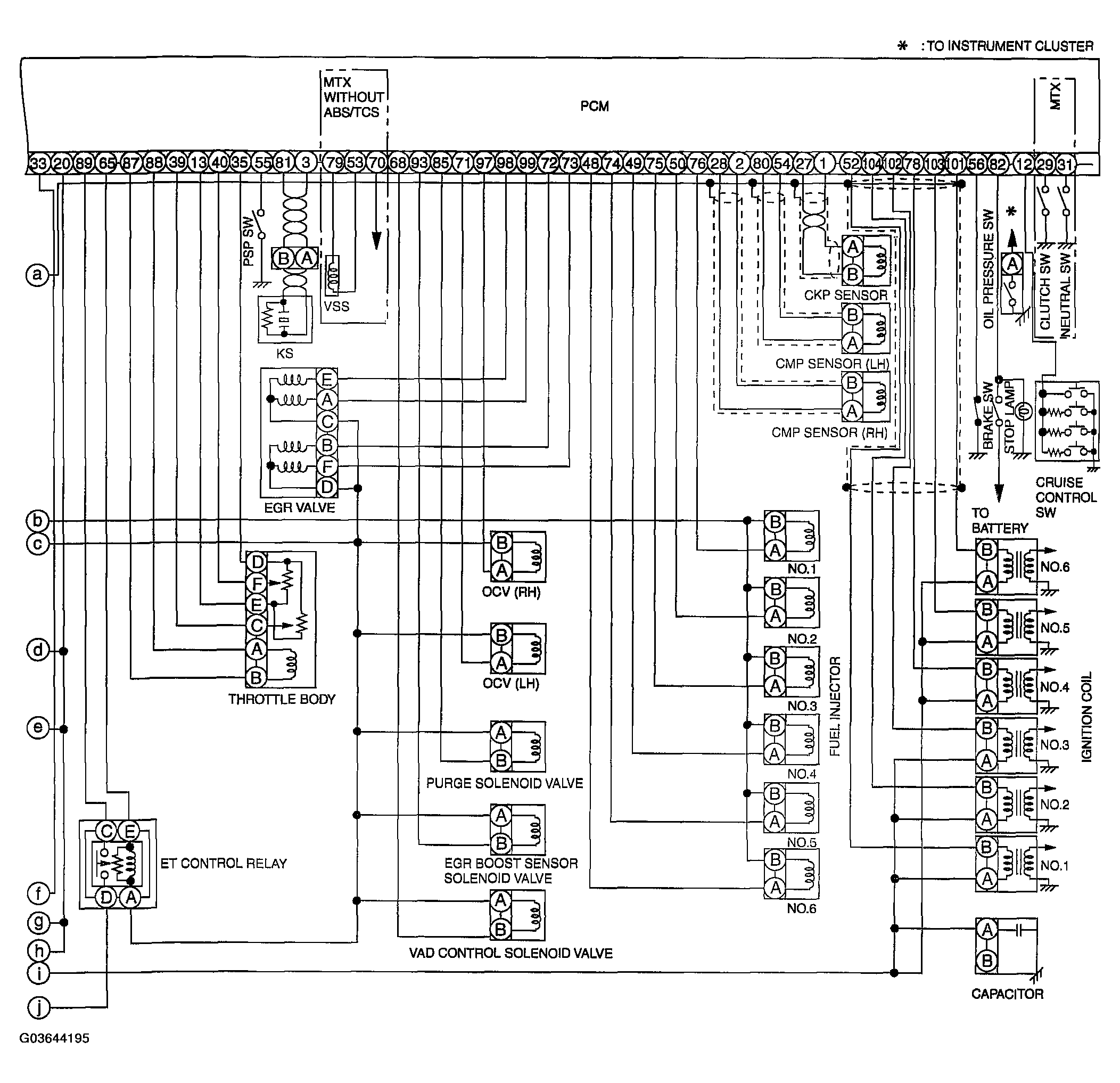
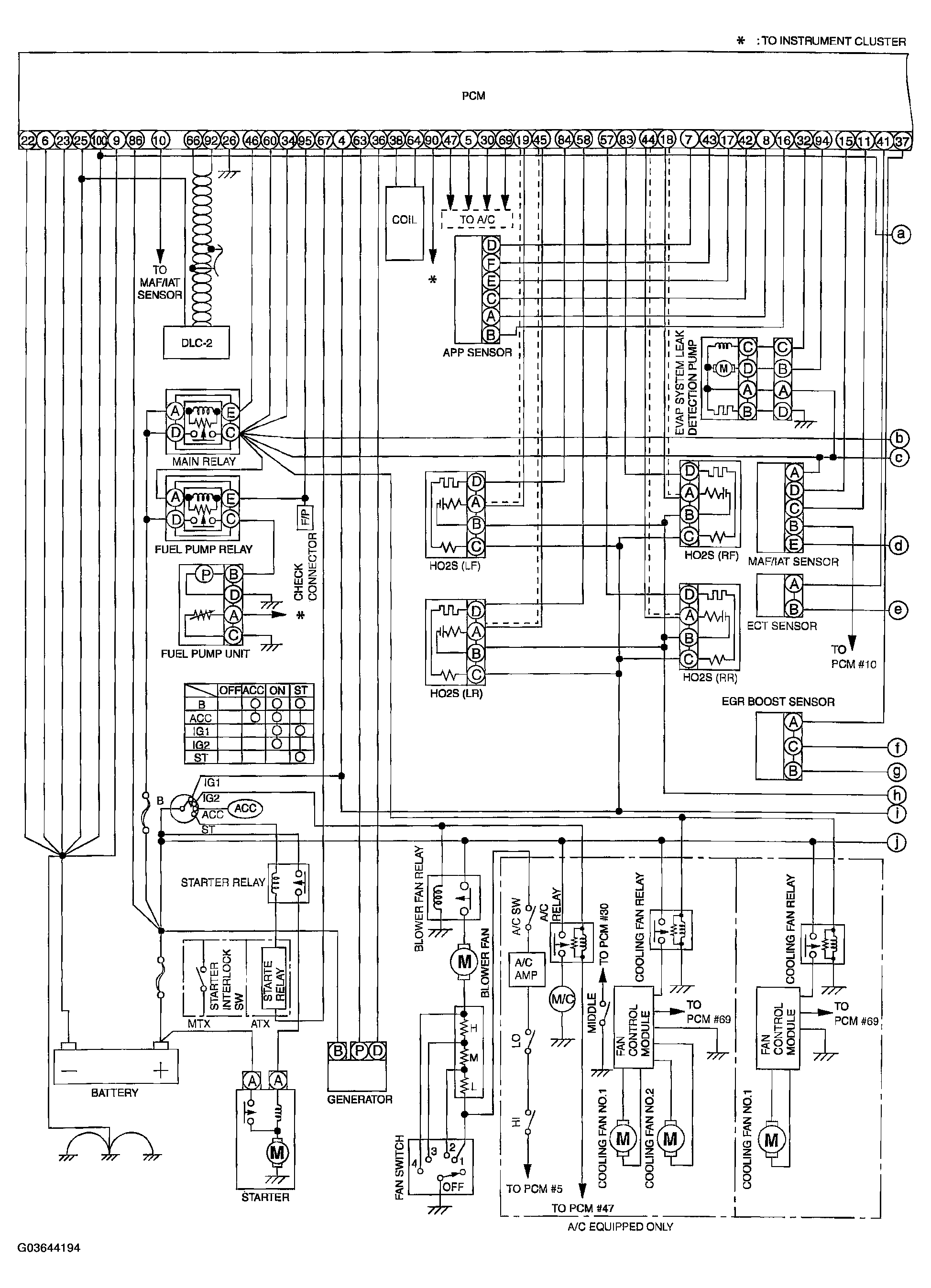
Control System Wiring Diagram

Fig 1: Identifying Control System Wiring Diagram [AJ] (1 of 2)
G03644194Courtesy of MAZDA MOTORS CORP.
Fig 2: Identifying Control System Wiring Diagram [AJ] (2 of 2)
G03644195Courtesy of MAZDA MOTORS CORP.