lemon-mirror:
Home >> Mazda >> 2005 >> MPV ES >> Repair and Diagnosis >> Engine Mechanical >> Cooling Fan >> Cooling System >> Radiator Removal/Installation >> Notes

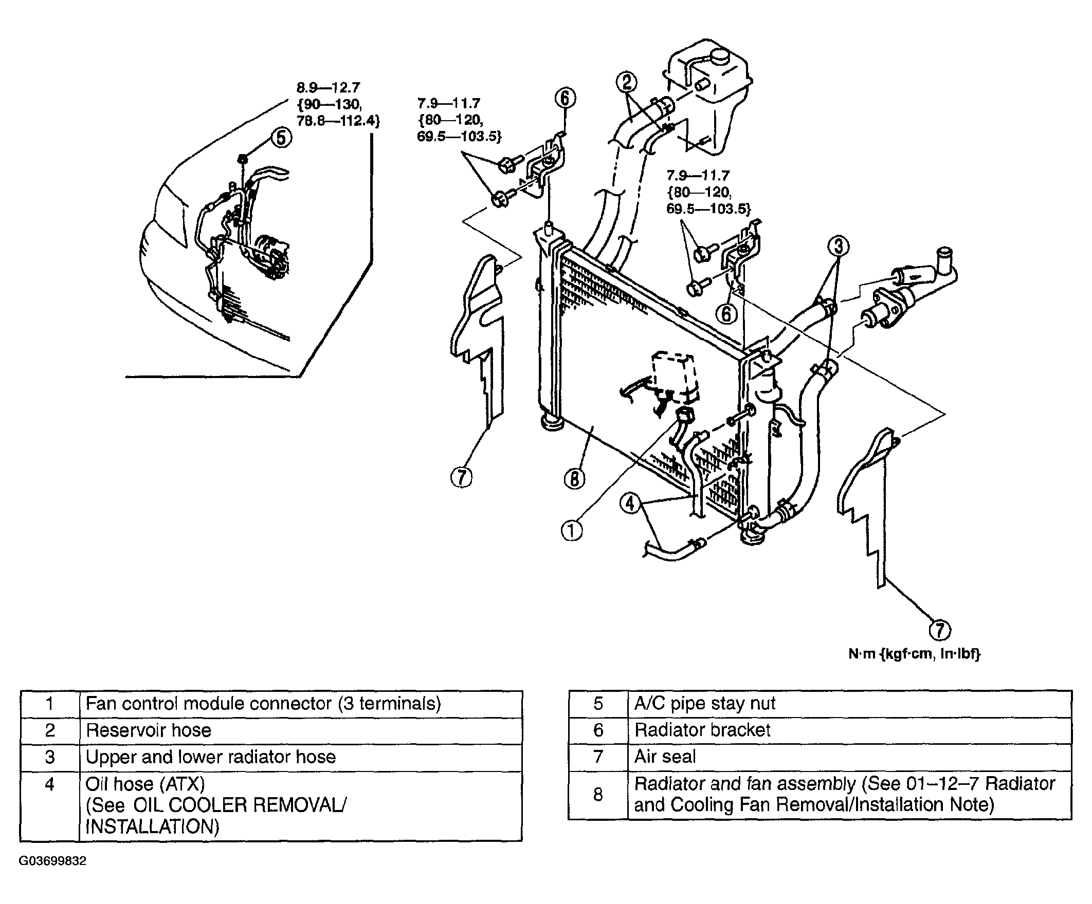
Radiator Removal/Installation: Notes

  1. Disconnect the negative battery cable.
  2. Drain the engine coolant. (See COOLING SYSTEM SERVICE WARNINGS .) (See ENGINE COOLANT REPLACEMENT .)
  3. Remove the front bumper. (See FRONT BUMPER REMOVAL/INSTALLATION .)
  4. Remove the hood lock. (See HOOD REMOVAL/INSTALLATION .)
  5. Remove the A/C bracket:
    Fig 1: Identifying Radiator Components
    G03699832Courtesy of MAZDA MOTORS CORP.