lemon-mirror:
Home >> Mazda >> 2005 >> MX-5 Miata Base, Automatic >> Repair and Diagnosis >> Engine Performance >> Engine Control Systems >> Control System Wiring Diagram (BP With TC)

Control System Wiring Diagram (BP With TC)

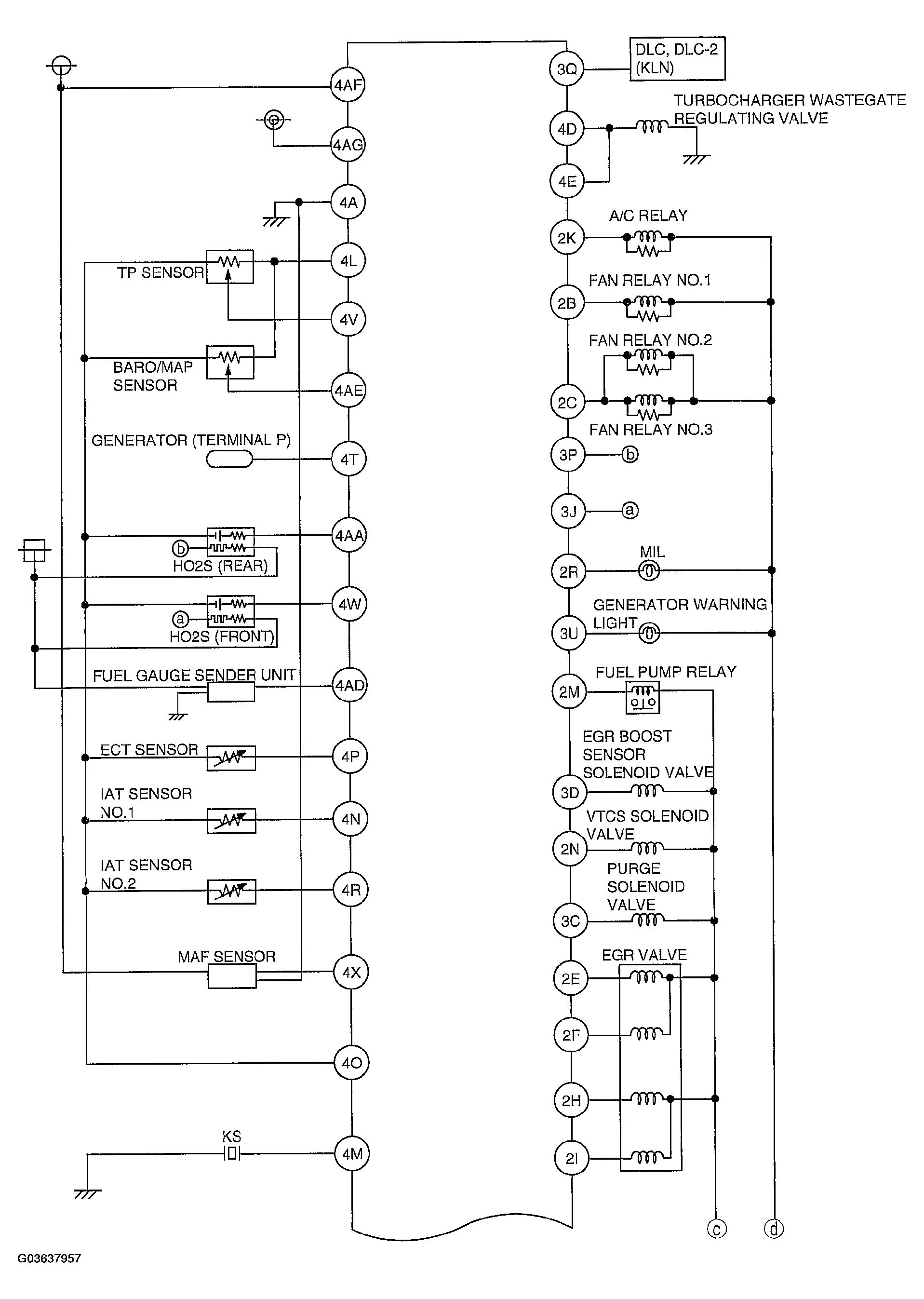
Fig 1: Identifying Control System Wiring Diagram (BP With TC) (1 Of 2)
G03637957Courtesy of MAZDA MOTORS CORP.
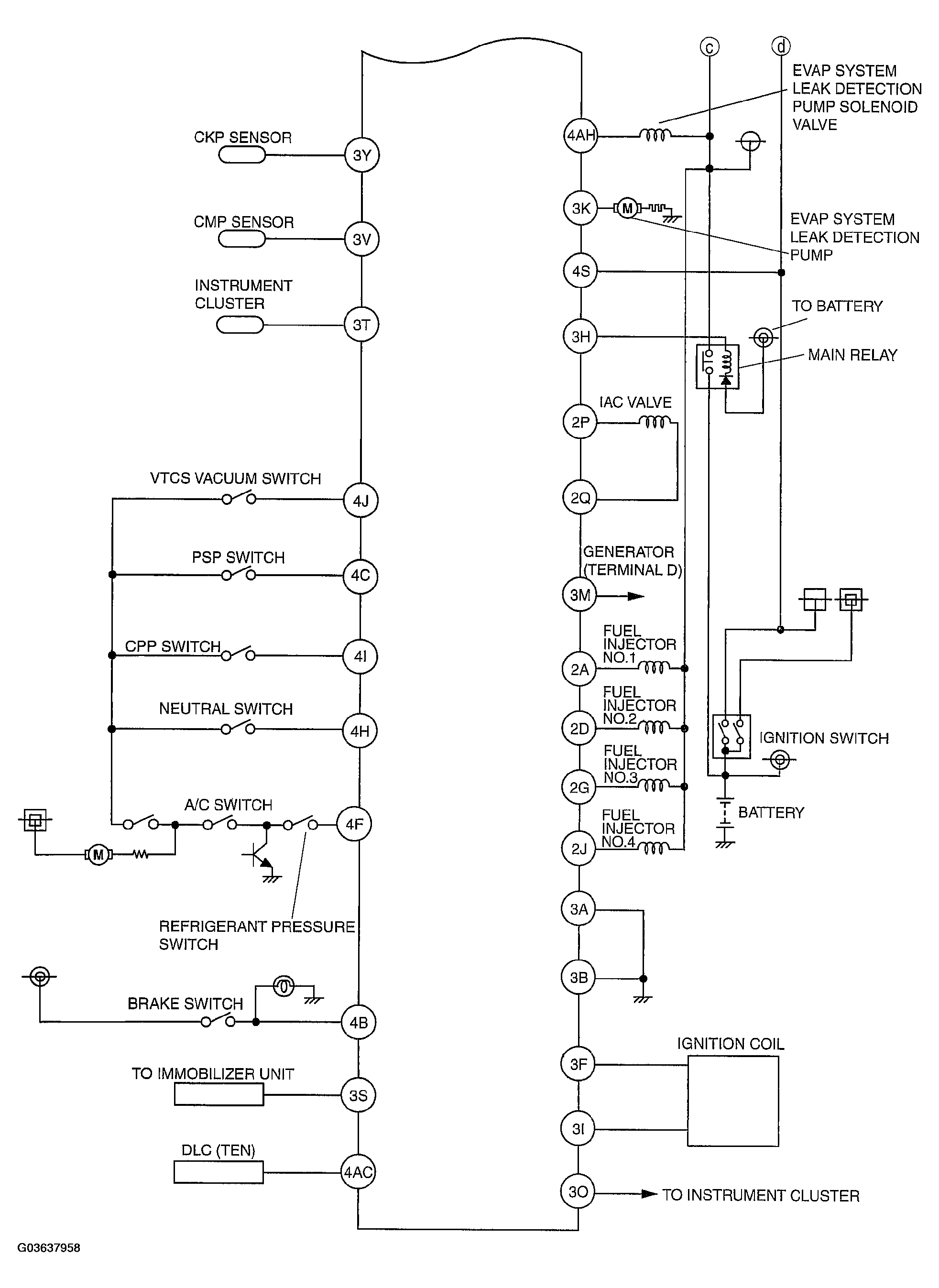
Fig 2: Identifying Control System Wiring Diagram (BP With TC) (2 Of 2)
G03637958Courtesy of MAZDA MOTORS CORP.