lemon-mirror:
Home >> Mazda >> 2005 >> MX-5 Miata Base, Automatic >> Repair and Diagnosis >> Engine Performance >> Engine Control Systems >> Control System Wiring Diagram (BP)

Control System Wiring Diagram (BP)

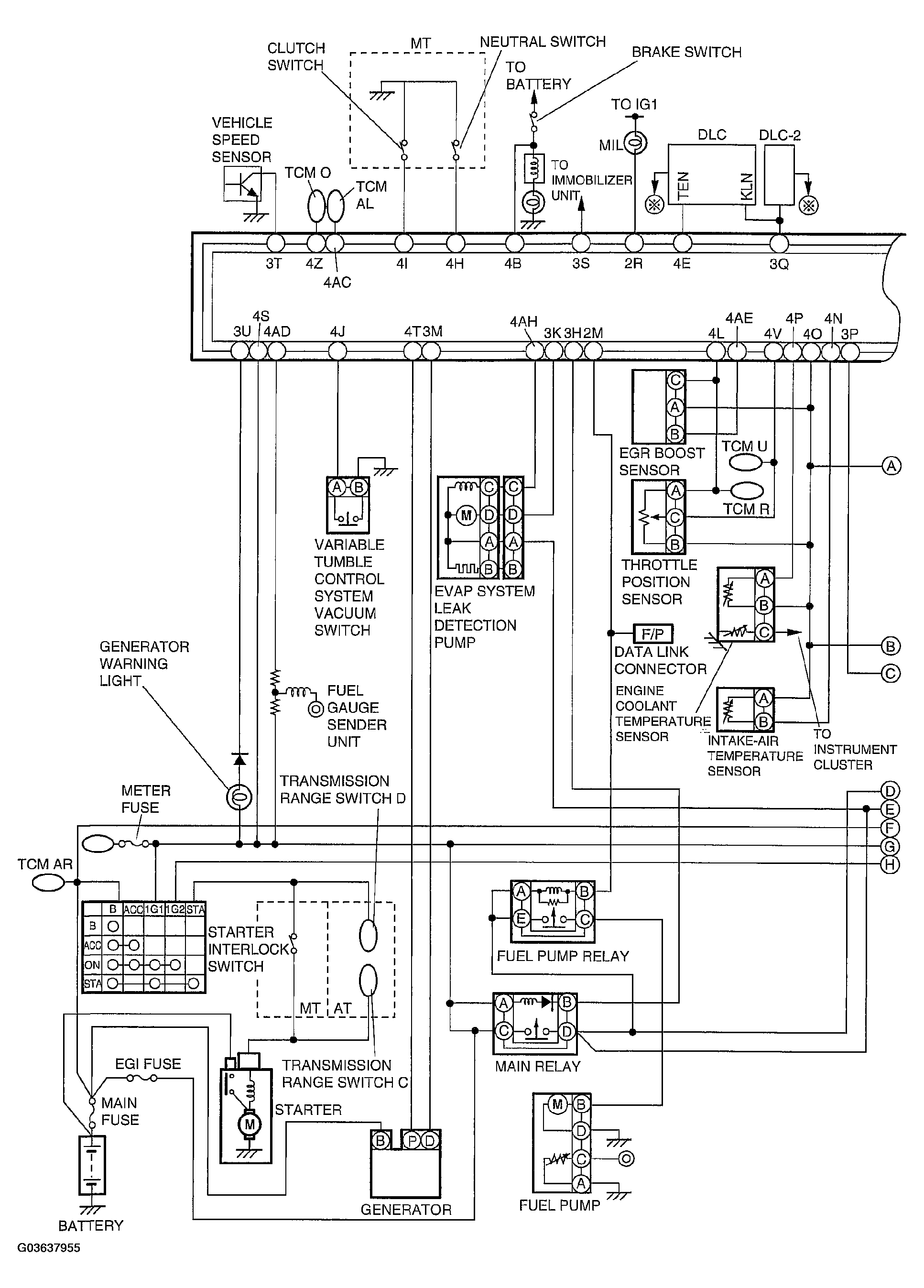
Fig 1: Identifying Control System Wiring Diagram (BP) (1 Of 2)
G03637955Courtesy of MAZDA MOTORS CORP.
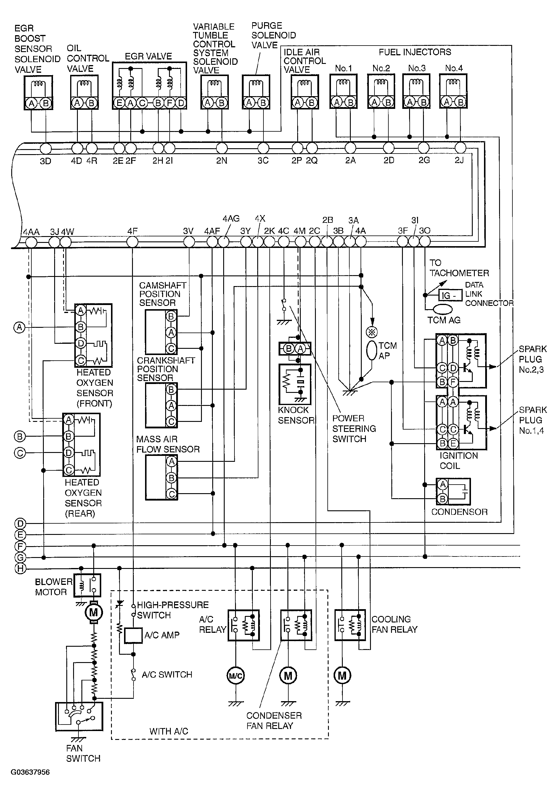
Fig 2: Identifying Control System Wiring Diagram (BP) (2 Of 2)
G03637956Courtesy of MAZDA MOTORS CORP.