lemon-mirror:
Home >> Mazda >> 2006 >> 6 Mazdaspeed >> Repair and Diagnosis >> Brakes >> Traction Control >> Dynamic Stability Control System >> DSC System Wiring Diagram

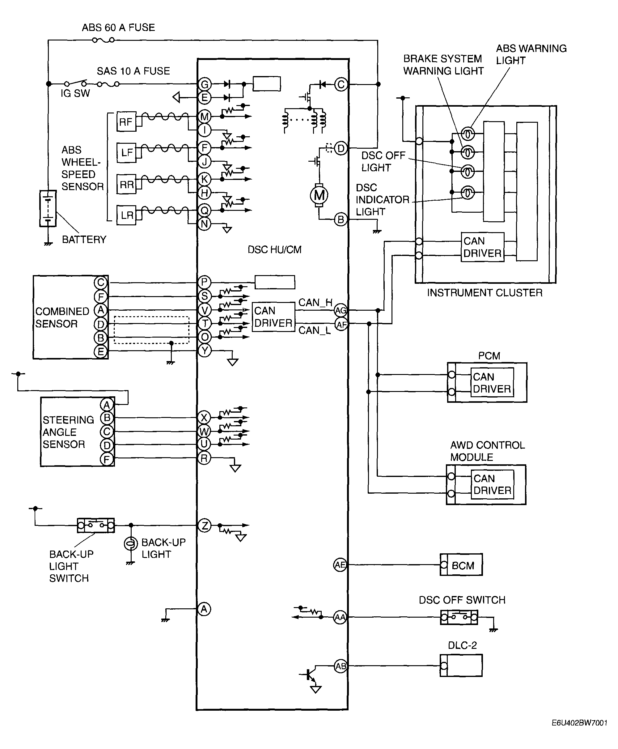
DSC System Wiring Diagram

Fig 1: DSC System Wiring Diagram
G04325975Courtesy of MAZDA MOTORS CORP.