lemon-mirror:
Home >> Mazda >> 2006 >> MPV ES >> Repair and Diagnosis >> Brakes >> Traction Control >> Anti-Lock Brake System >> Abs System Diagram

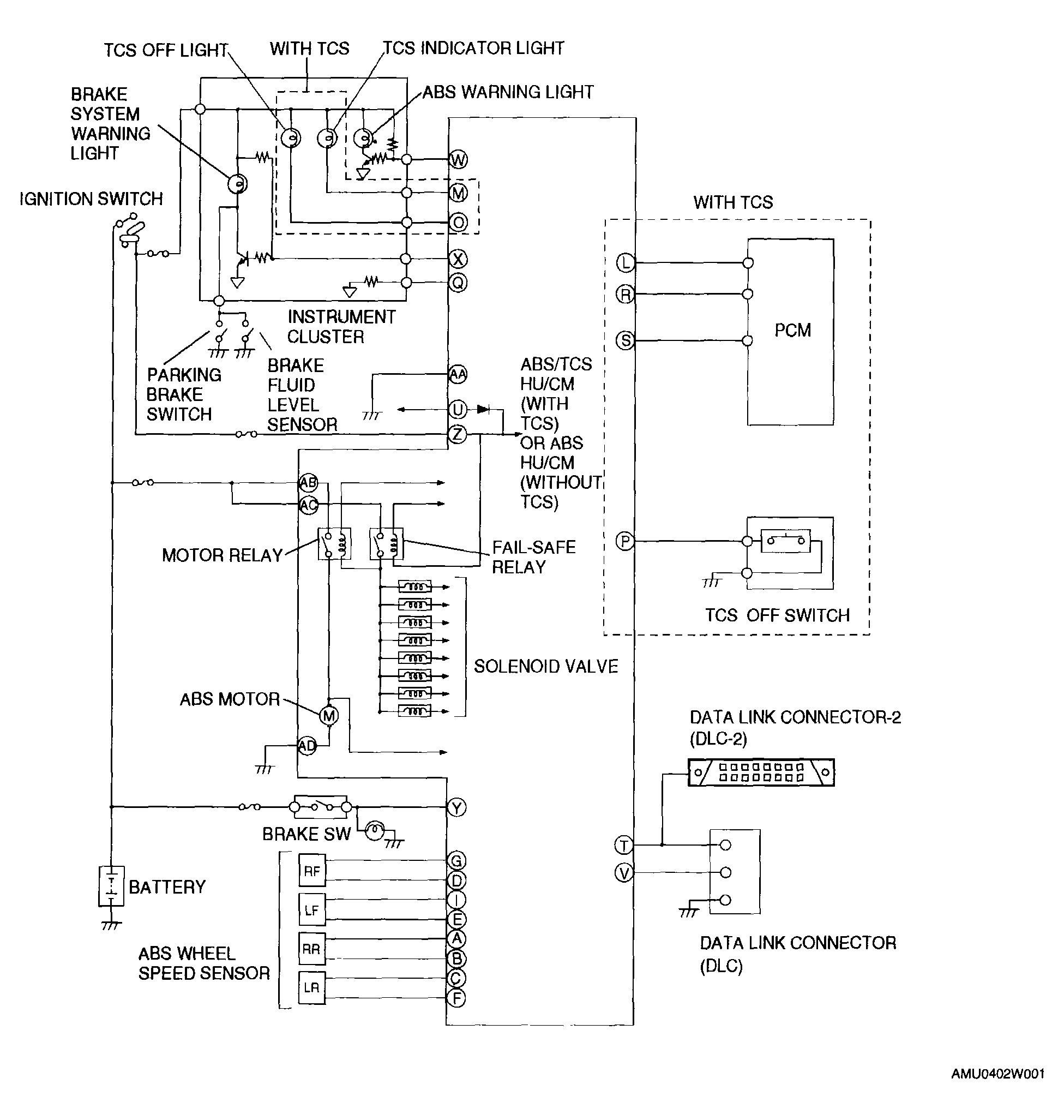
Abs System Diagram

Fig 1: ABS System - Diagram
G04328657Courtesy of MAZDA MOTORS CORP.