lemon-mirror:
Home >> Mazda >> 2006 >> MX-5 Miata Base >> Repair and Diagnosis >> Engine Performance >> Engine Control Systems >> Control System Wiring Diagram

Control System Wiring Diagram

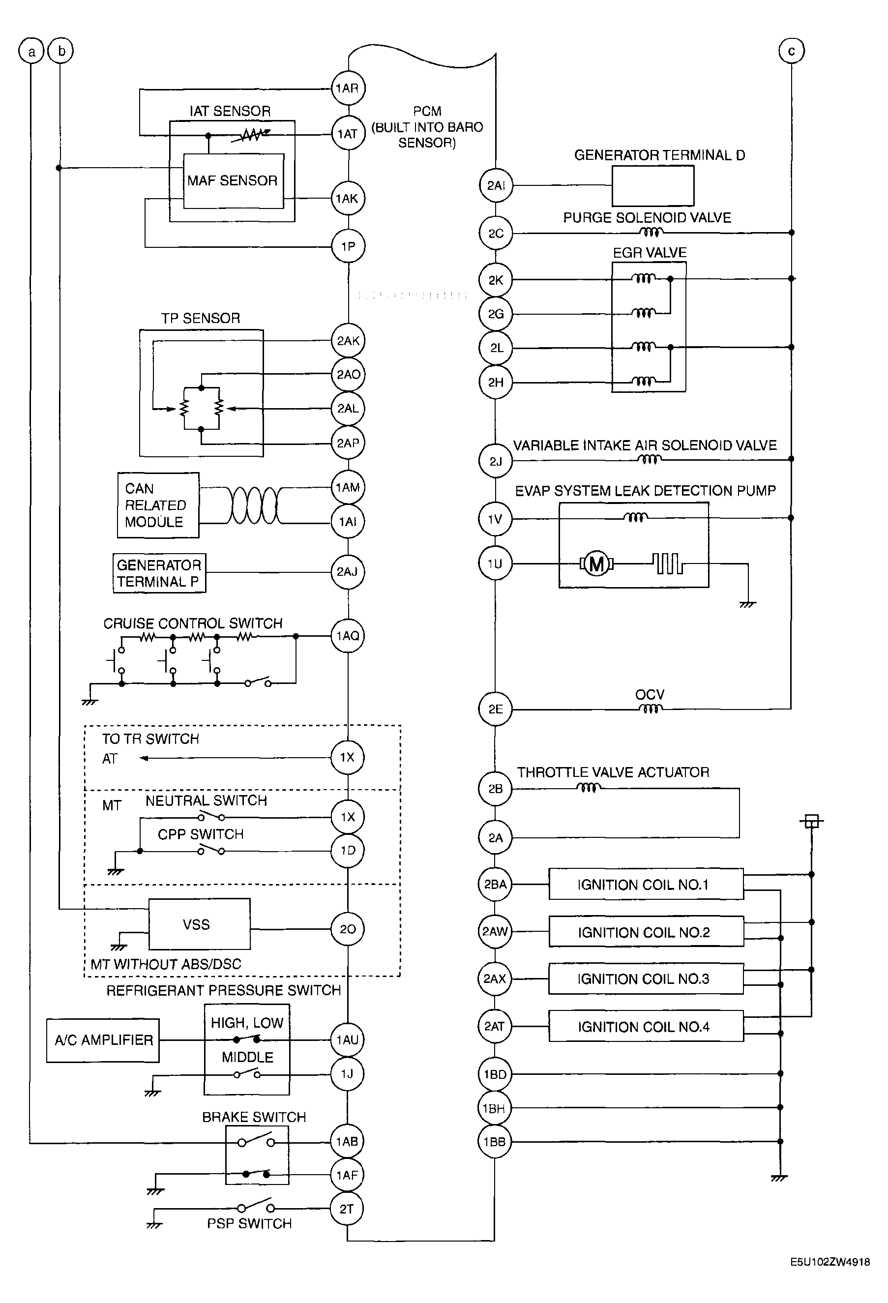
Fig 1: Engine Control System - Wiring Diagram (1 Of 2)
G04322998Courtesy of MAZDA MOTORS CORP.
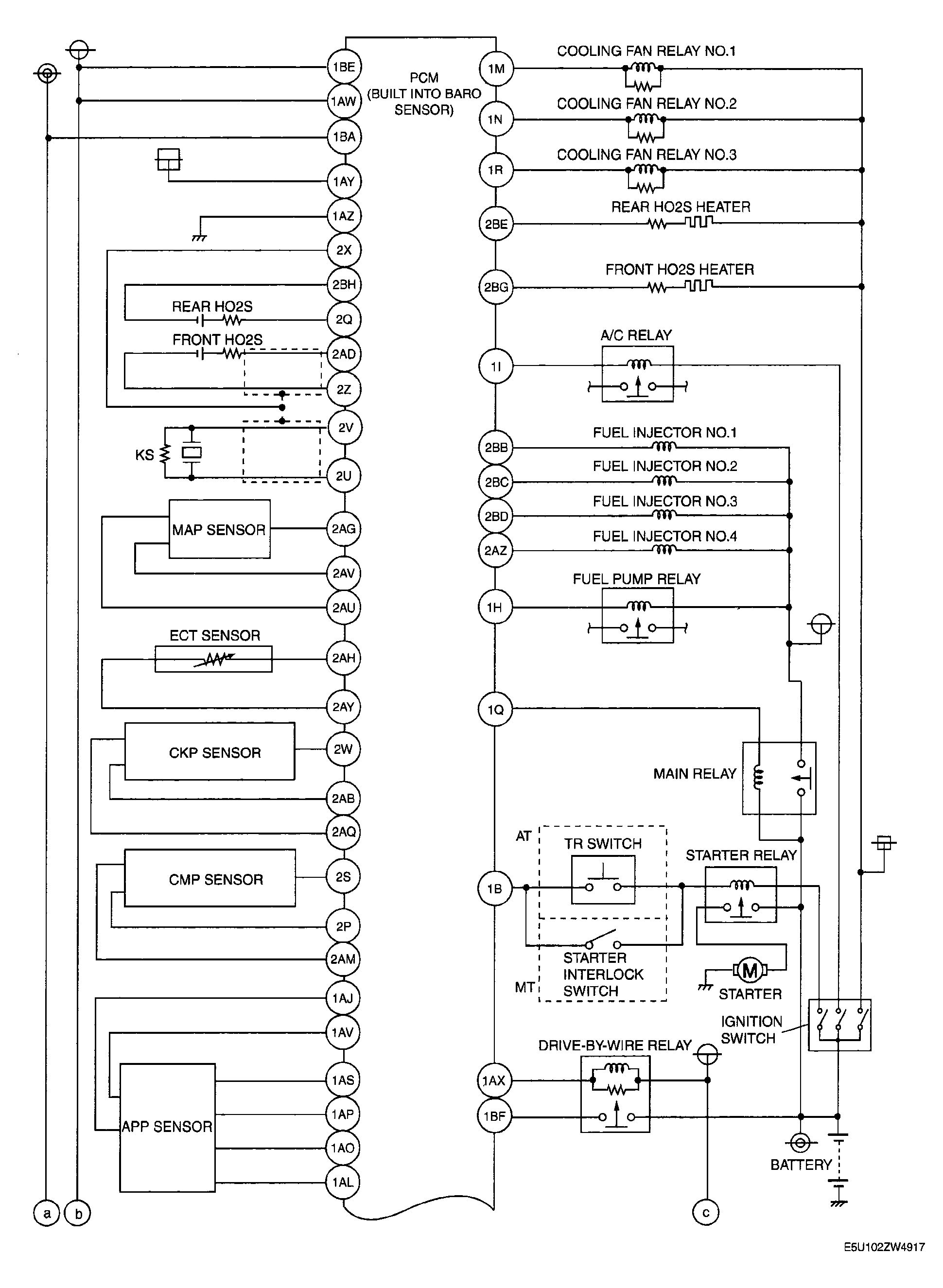
Fig 2: Engine Control System - Wiring Diagram (2 Of 2)
G04322999Courtesy of MAZDA MOTORS CORP.