lemon-mirror:
Home >> Mazda >> 2007 >> 3 Mazdaspeed, 2.3 L >> Repair and Diagnosis >> Engine Performance >> Engine Control Systems >> Engine Control System (L3 With TC) >> Control System Wiring Diagram

Control System Wiring Diagram

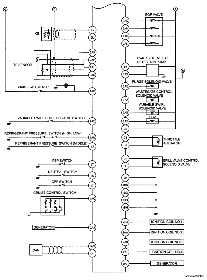
Fig 1: Control System Wiring Diagram (1 Of 2)
G04955292Courtesy of MAZDA MOTORS CORP.
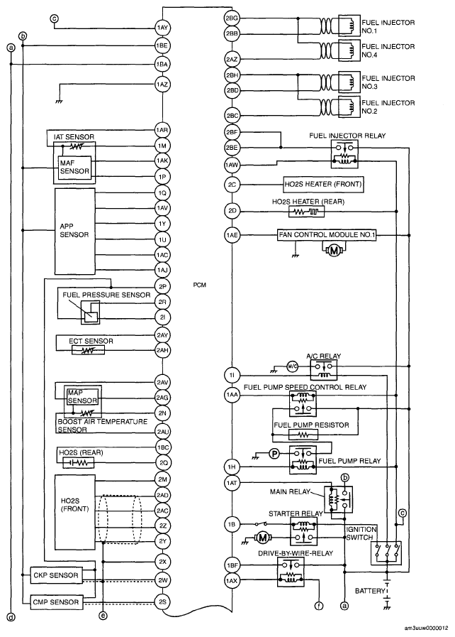
Fig 2: Control System Wiring Diagram (2 Of 2)
G04954336Courtesy of MAZDA MOTORS CORP.