lemon-mirror:
Home >> Mazda >> 2007 >> 6 Mazdaspeed >> Repair and Diagnosis >> Engine Performance >> Engine Control Systems >> Engine Control System (L3 With TC) >> Control System Wiring Diagram

Control System Wiring Diagram

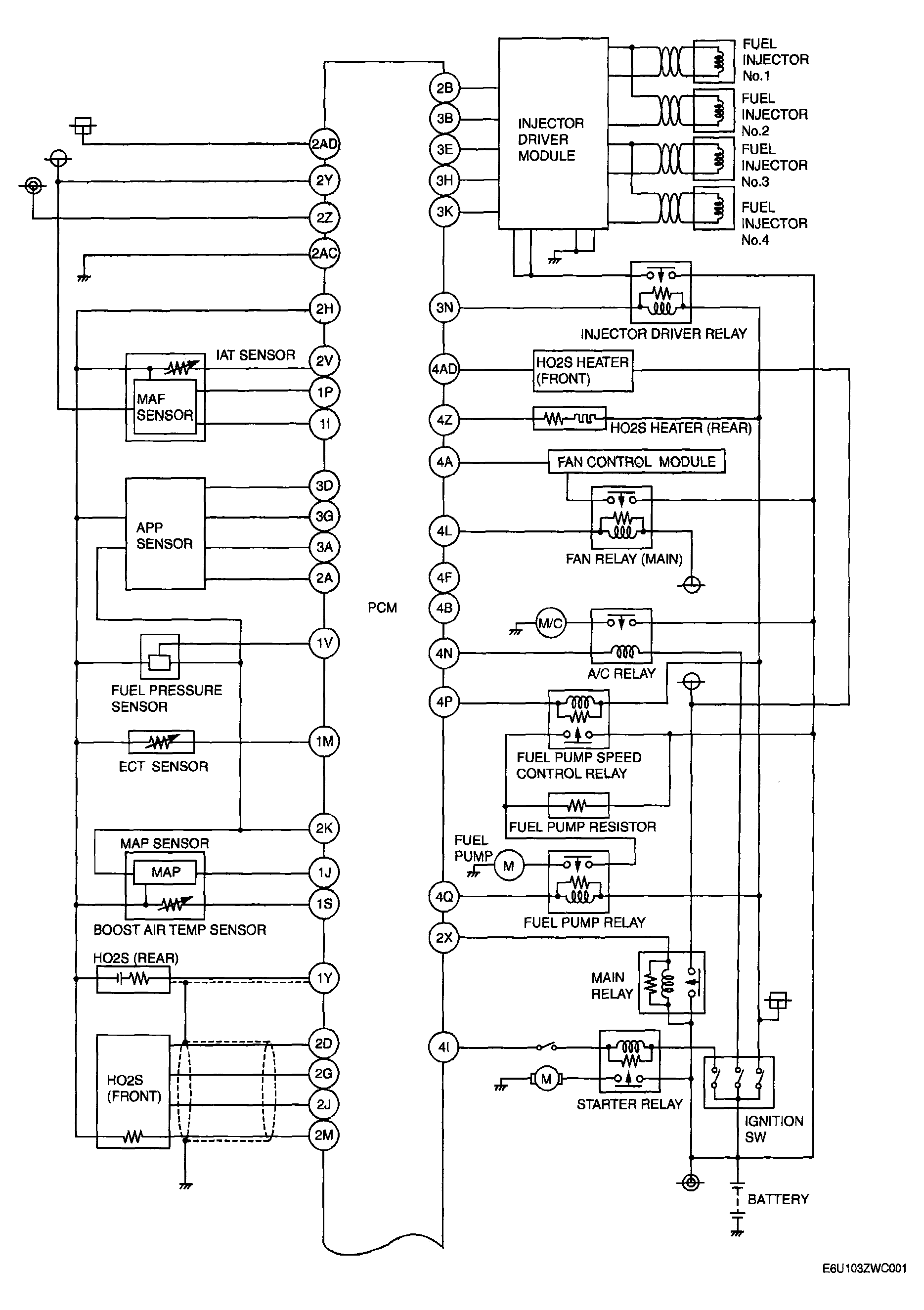
Fig 1: Control System Wiring Diagram [L3 With TC] (1 Of 2)
G04325203Courtesy of MAZDA MOTORS CORP.
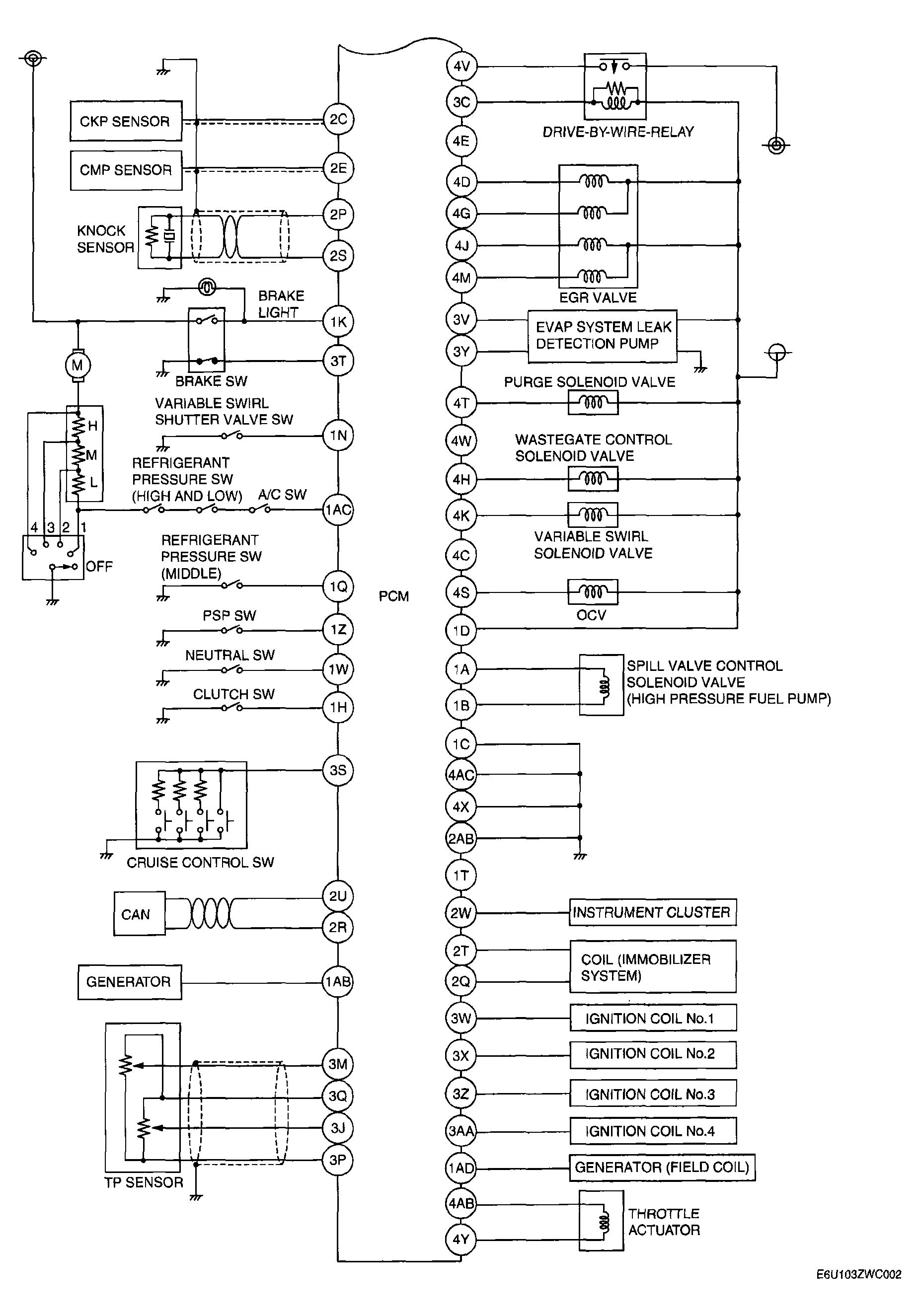
Fig 2: Control System Wiring Diagram [L3 With TC] (2 Of 2)
G04325204Courtesy of MAZDA MOTORS CORP.