lemon-mirror:
Home >> Mazda >> 2007 >> 6 s, 4D Hatchback, Automatic >> Repair and Diagnosis >> Engine Performance >> Engine Control Systems >> Engine Control System (AJ) >> Control System Diagram

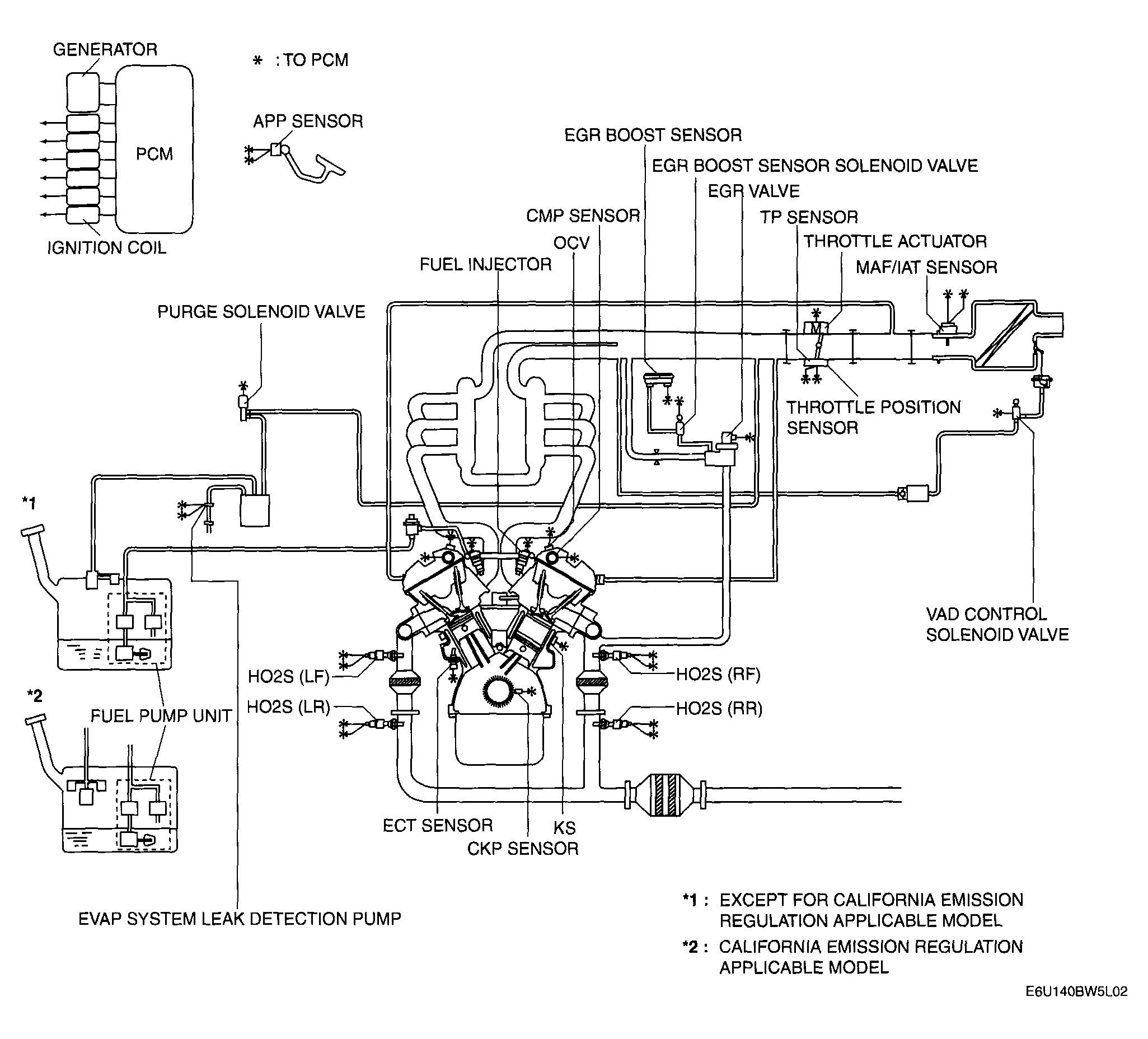
Control System Diagram

Fig 1: Control System Diagram
G04325282Courtesy of MAZDA MOTORS CORP.