lemon-mirror:
Home >> Mazda >> 2007 >> 6 s, 4D Hatchback, Automatic >> Repair and Diagnosis >> Engine Performance >> Engine Control Systems >> Engine Control System (AJ) >> Control System Wiring Diagram

Control System Wiring Diagram

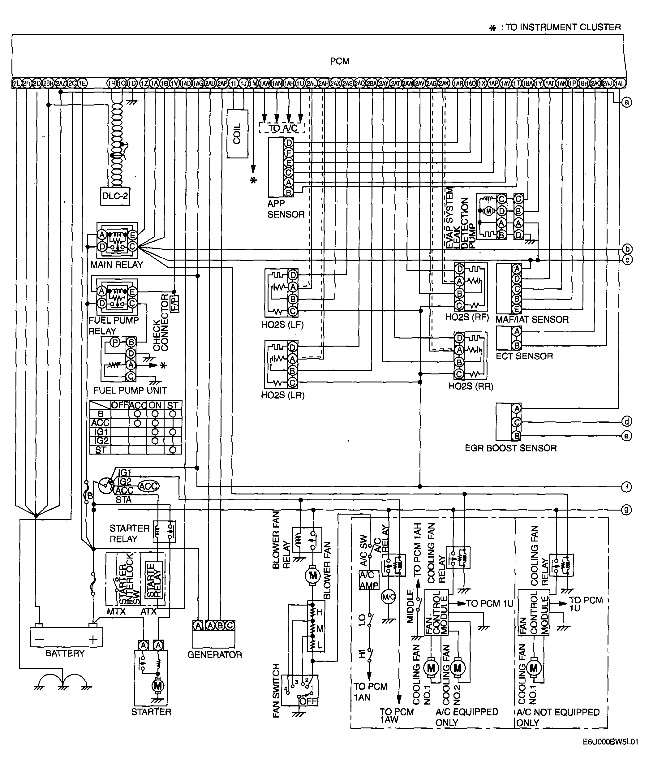
Fig 1: Control System - Wiring Diagram (1 Of 2)
G04325283Courtesy of MAZDA MOTORS CORP.
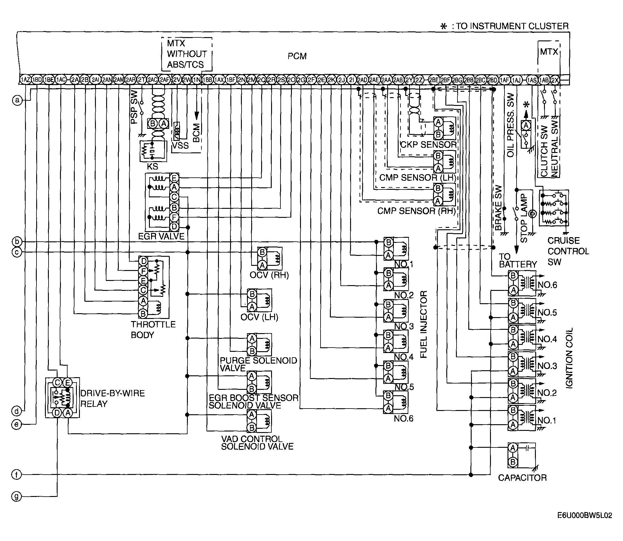
Fig 2: Control System - Wiring Diagram (2 Of 2)
G04325284Courtesy of MAZDA MOTORS CORP.