lemon-mirror:
Home >> Mazda >> 2008 >> 5 Touring, 2.3 L >> Repair and Diagnosis >> Engine Performance >> Engine Control Systems >> Engine Control System (L3) >> Control System Wiring Diagram [L3]

Control System Wiring Diagram [L3]

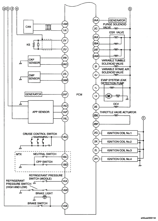
Fig 1: Control System Wiring Diagram (1 Of 2)
G05542924Courtesy of MAZDA MOTORS CORP.
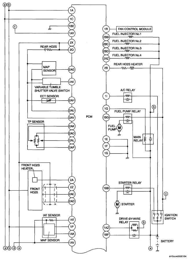
Fig 2: Control System Wiring Diagram (2 Of 2)
G05542925Courtesy of MAZDA MOTORS CORP.