lemon-mirror:
Home >> Mazda >> 2011 >> 2 Touring, 1.5 Z, Automatic >> Repair and Diagnosis >> Engine Performance >> Engine Control Systems >> Engine Control System MZR 1.5 >> CONTROL SYSTEM DIAGRAM Input device

CONTROL SYSTEM DIAGRAM Input device

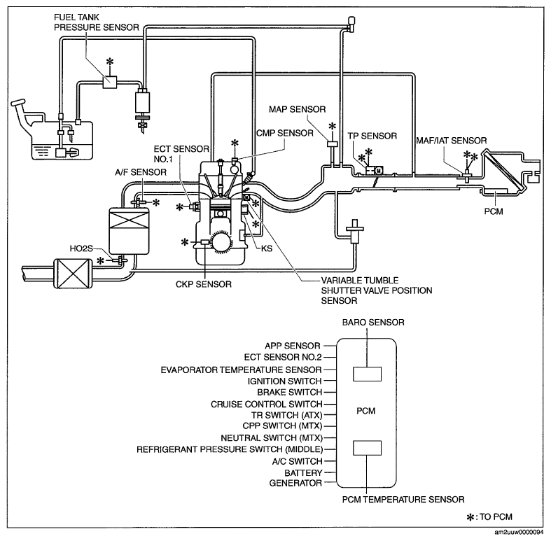
Input device 

Fig 1: Identifying Control System Input Device
G06940743Courtesy of MAZDA MOTORS CORP.

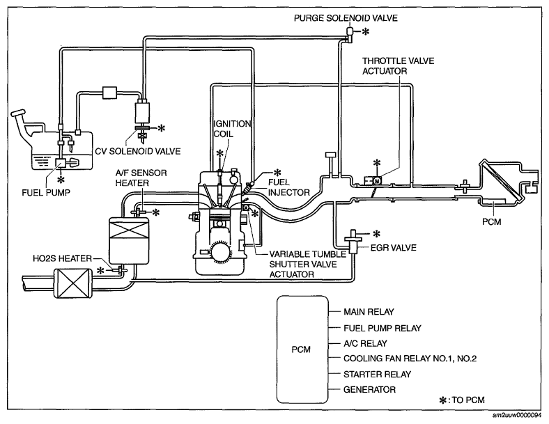
Output device 

Fig 2: Identifying Control System Output Device
G06940744Courtesy of MAZDA MOTORS CORP.