lemon-mirror:
Home >> Mazda >> 2011 >> 3 i SV, 2.0 F >> Repair and Diagnosis >> Engine Performance >> Engine Control Systems >> Engine Control System [LF, L5] >> Control System Wiring Diagram

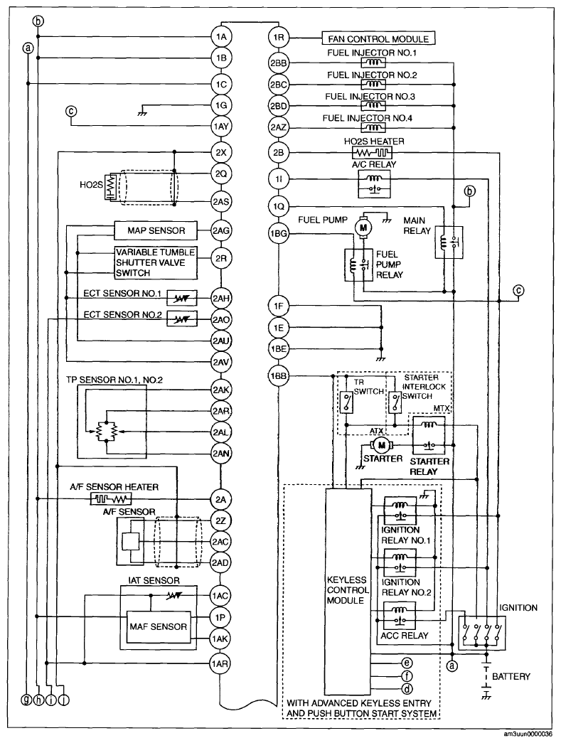
Control System Wiring Diagram

Fig 1: Control System Wiring Diagram (1 Of 2)
G07868491Courtesy of MAZDA MOTORS CORP.
Fig 2: Control System Wiring Diagram (2 Of 2)
G07868492Courtesy of MAZDA MOTORS CORP.