Driver Side
- Disconnect the negative battery cable.
- Remove the following parts:
- Driver-side inner garnish (See INNER GARNISH REMOVAL/INSTALLATION .)
- Driver-side front door trim (See FRONT DOOR TRIM REMOVAL/INSTALLATION .)
- Driver-side front door speaker (See FRONT DOOR SPEAKER REMOVAL/INSTALLATION .)
- Driver-side front power window motor (See POWER WINDOW MOTOR REMOVAL/INSTALLATION .)
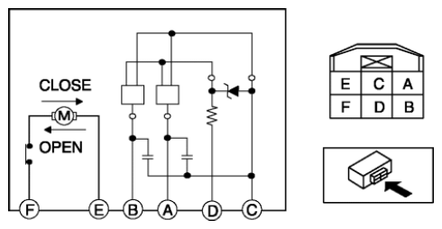
- Apply battery positive voltage and connect the ground to the driver-side power window motor terminals E and F, and then inspect the driver-side power window motor operation.
- If not as indicated in the table, replace the driver-side power window motor. (See POWER WINDOW MOTOR REMOVAL/INSTALLATION .)
Operation Terminal E F Open B+ Ground Close Ground B+ - Connect the battery positive voltage to driver-side power window motor terminal D and connect terminal C to ground.
- Operate the driver-side power window motor and measure the voltage at terminals A and B.
- If there is any malfunction, replace the driver-side power window motor. (See POWER WINDOW MOTOR REMOVAL/INSTALLATION .)
Voltage
- Pulse: max. 5 V/min. 0 V
- If there is any malfunction, replace the driver-side power window motor. (See POWER WINDOW MOTOR REMOVAL/INSTALLATION .)