lemon-mirror:
Home >> Mazda >> 2012 >> 6 i Touring Plus >> Repair and Diagnosis >> Body & Frame >> Windows >> Glass/Windows/Mirrors >> Power Window Motor Inspection >> Front Side >> Auto-open/close function

Auto-open/close function

  1. Disconnect the negative battery cable.
  2. Remove the inner garnish. (See INNER GARNISH REMOVAL/INSTALLATION .)
  3. Remove the front door trim. (See FRONT DOOR TRIM REMOVAL/INSTALLATION .)
  4. Disconnect the power window motor connector.
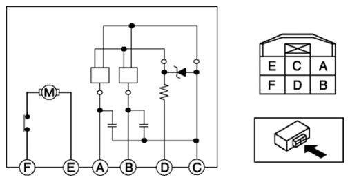
  5. Apply battery positive voltage and connect the ground to power window motor terminals E and F, and then inspect the power window motor operation.
    Fig 1: Identifying Power Window Motor Terminals
    G08144363
    Operation Terminal
    F E
    Close Ground B+
    Open B+ Ground
  6. Connect the battery positive voltage to power window motor terminal D and connect terminal C to ground.
  7. Operate the power window motor and measure the voltage at terminals A and B.

    Voltage 

    • Pulse: max. 5 V/min. 0 V