lemon-mirror:
Home >> Mazda >> 2012 >> 6 i Touring >> Repair and Diagnosis >> Engine Performance >> Engine Control Systems >> Engine Control System [MZR 2.5] >> Control System Wiring Diagram

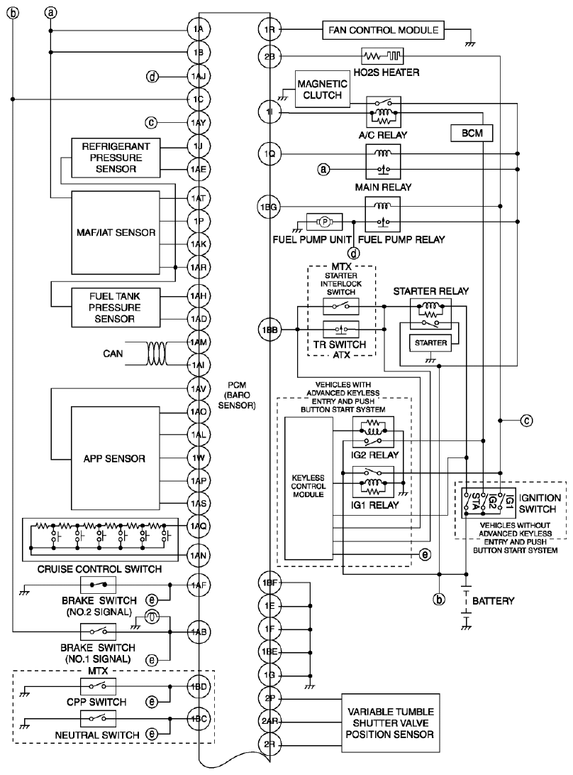
Control System Wiring Diagram

Fig 1: Control System Wiring Diagram - MZR 2.5 (1 Of 2)
G08140756
Fig 2: Control System Wiring Diagram - MZR 2.5 (2 Of 2)
G08140757