lemon-mirror:
Home >> Mazda >> 2012 >> 6 s Touring Plus >> Repair and Diagnosis >> Engine Performance >> Engine Control Systems >> Engine Control System [MZI 3.7 V6] >> Control System Wiring Diagram

Control System Wiring Diagram

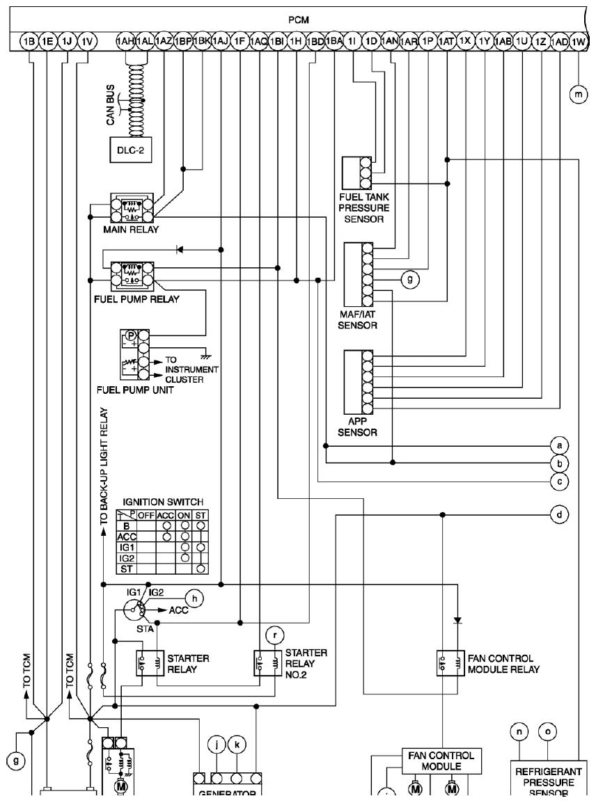
Fig 1: Control System Wiring Diagram - MZI 3.7 V6 (1 Of 3)
G08140802
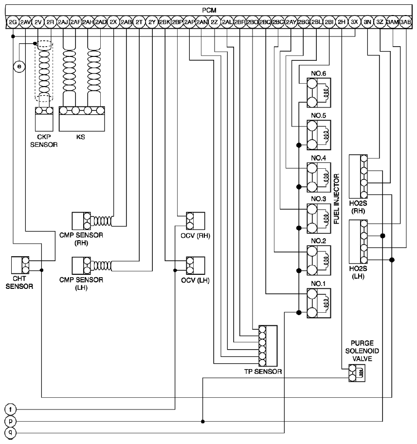
Fig 2: Control System Wiring Diagram - MZI 3.7 V6 (2 Of 3)
G08140803
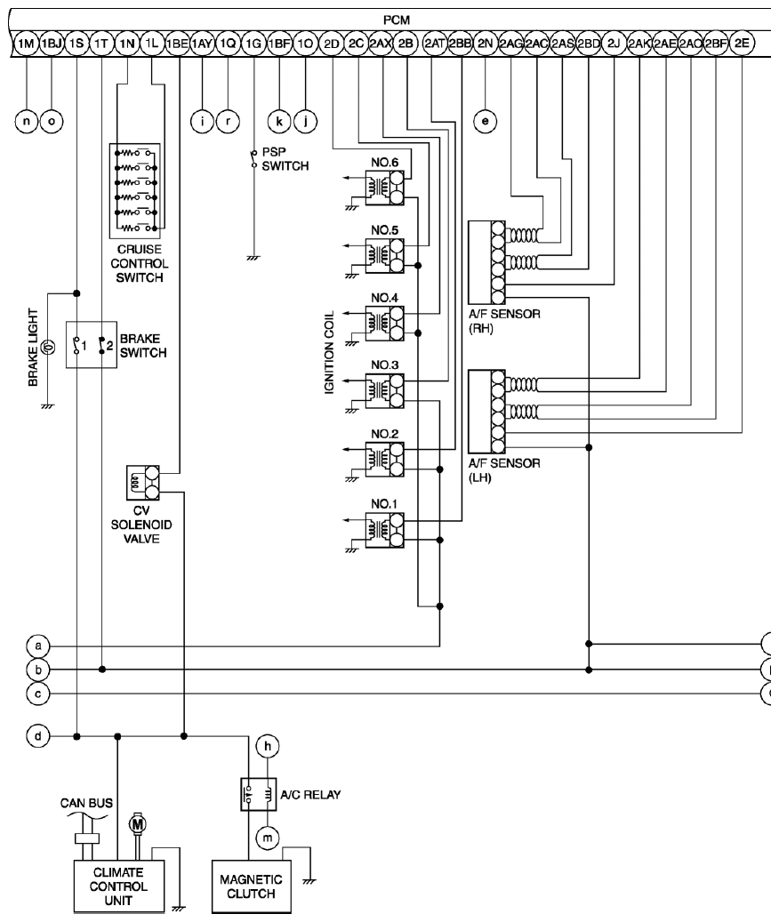
Fig 3: Control System Wiring Diagram - MZI 3.7 V6 (3 Of 3)
G08140804