lemon-mirror:
Home >> Mazda >> 2013 >> CX-5 Touring, FWD >> Repair and Diagnosis >> Engine Performance >> Engine Control Systems >> Control System Diagram

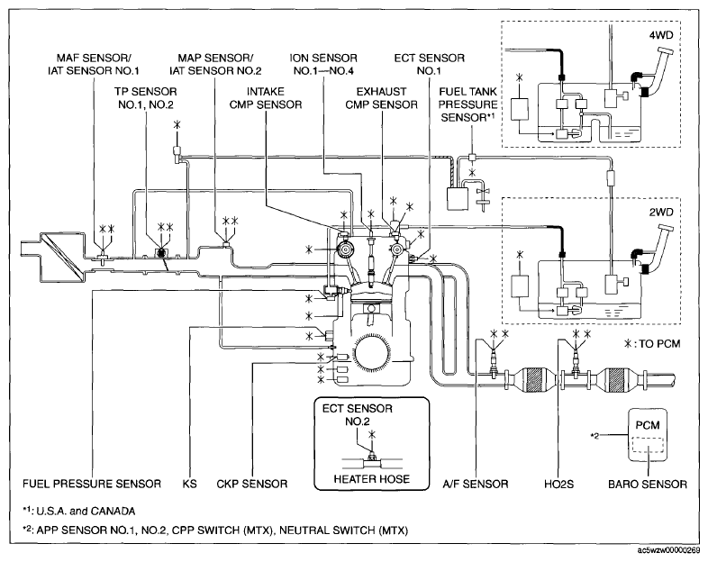
Control System Diagram

Fig 1: Control - System Diagram
G09074534