lemon-mirror:
Home >> Mazda >> 2013 >> CX-5 Touring, FWD >> Repair and Diagnosis >> Engine Performance >> Engine Control Systems >> Control System Wiring Diagram

Control System Wiring Diagram

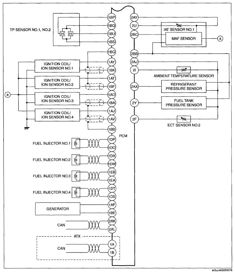
Fig 1: Control System - Wiring Diagram (1 Of 3)
G09074535
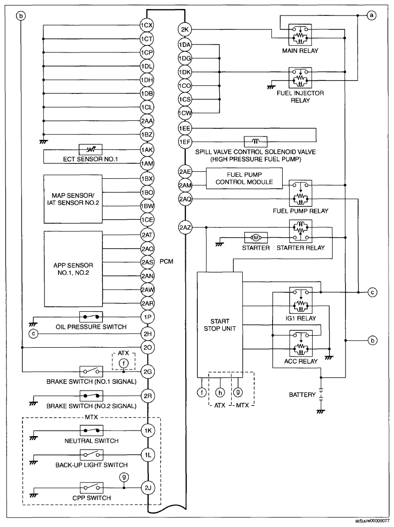
Fig 2: Control System - Wiring Diagram (2 Of 3)
G09074536
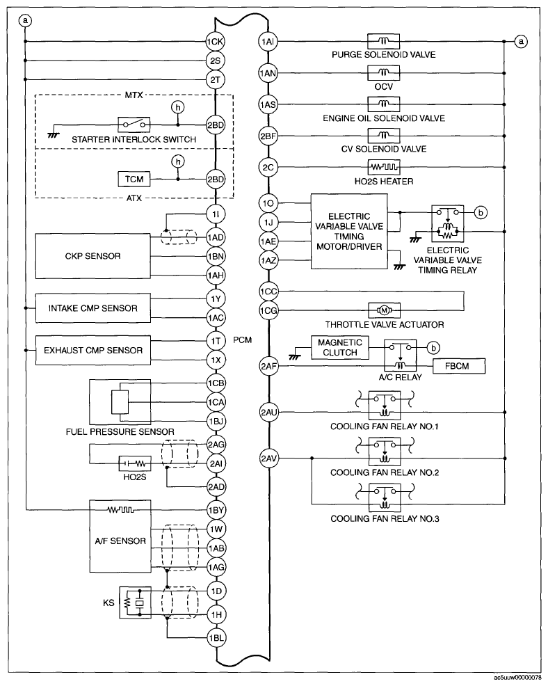
Fig 3: Control System - Wiring Diagram (3 Of 3)
G09074537