lemon-mirror:
Home >> Mazda >> 2014 >> 5 Touring >> Repair and Diagnosis >> Electrical >> Body Electrical >> OEM Wiring System >> Engine >> Cooling System

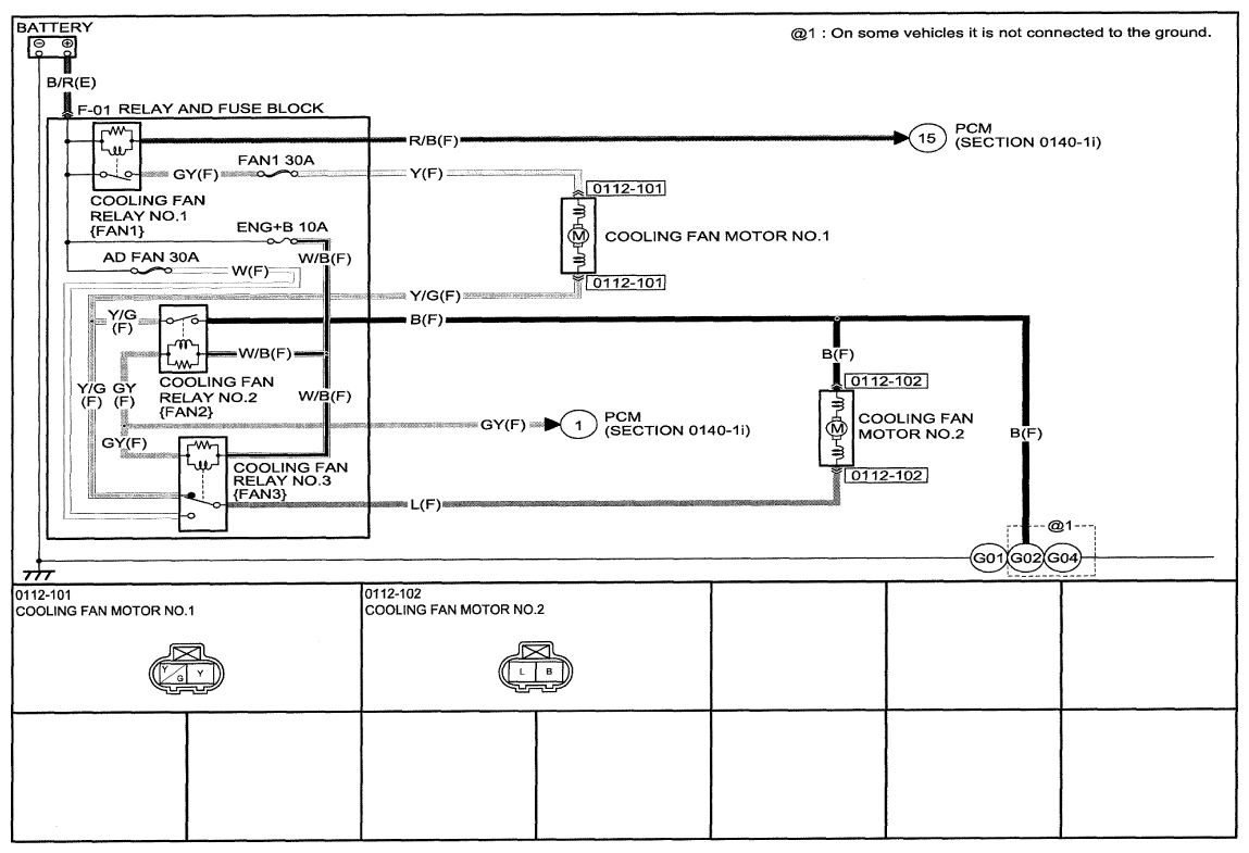
Cooling System

Fig 1: Cooling System Wiring Diagram - 0112-1 (1 Of 2)
G09124987Courtesy of MAZDA MOTORS CORP.
Fig 2: Cooling System Wiring Diagram - 0112-1 (2 Of 2)
G09124988Courtesy of MAZDA MOTORS CORP.