lemon-mirror:
Home >> Mazda >> 2014 >> 5 Touring >> Repair and Diagnosis >> Electrical >> Body Electrical >> OEM Wiring System >> Engine >> Fuel System

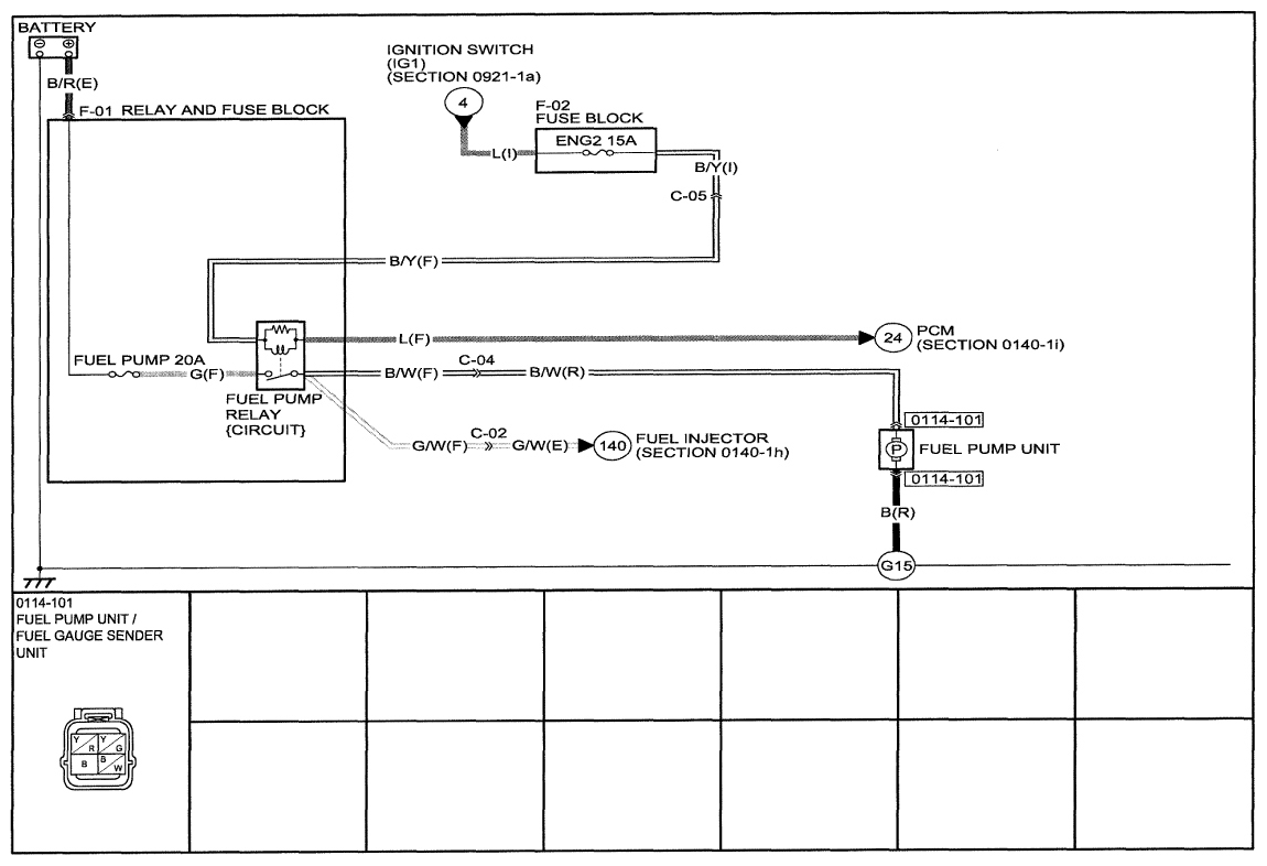
Fuel System

Fig 1: Fuel System Wiring Diagram - 0114-1 (1 Of 2)
G09124989Courtesy of MAZDA MOTORS CORP.
Fig 2: Fuel System Wiring Diagram - 0114-1 (2 Of 2)
G09124990Courtesy of MAZDA MOTORS CORP.