lemon-mirror:
Home >> Mazda >> 2016 >> 3 Sport, 4D Hatchback, Automatic Trans >> Repair and Diagnosis >> Engine Performance >> Engine Control Systems >> Control System Diagram

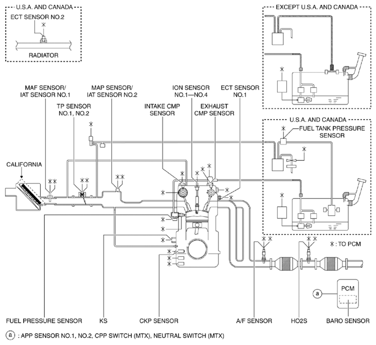
Control System Diagram

Fig 1: Control System Diagram
G10960266Courtesy of MAZDA