lemon-mirror:
Home >> Mazda >> 2016 >> 5 GS, Automatic Trans >> Repair and Diagnosis >> Body & Frame >> Windows >> Glass/Windows/Mirrors >> Power Window Motor Inspection >> Driver Side

Driver Side

  1. Disconnect the negative battery cable.
  2. Remove the following parts:
    1. Driver-side inner garnish (See INNER GARNISH REMOVAL/INSTALLATION .)
    2. Driver-side front door trim (See FRONT DOOR TRIM REMOVAL/INSTALLATION .)
    3. Driver-side front door speaker (See FRONT DOOR SPEAKER REMOVAL/INSTALLATION .)
    4. Driver-side front power window motor (See POWER WINDOW MOTOR REMOVAL/INSTALLATION .)
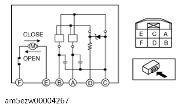
  3. Apply battery positive voltage and connect the ground to the driver-side power window motor terminals E and F, and then inspect the driver-side power window motor operation.
    G13727976Courtesy of MAZDA MOTORS CORP.
    G13727977Courtesy of MAZDA MOTORS CORP.
    Operation Terminal
    E F
    Open B+ Ground
    Close Ground B+
  4. Connect the battery positive voltage to driver-side power window motor terminal D and connect terminal C to ground.
  5. Operate the driver-side power window motor and measure the voltage at terminals A and B.

    Voltage 

    Pulse: max. 5 V/min. 0 V