lemon-mirror:
Home >> Mazda >> 2016 >> 5 GS, Automatic Trans >> Repair and Diagnosis >> Engine Performance >> Engine Control Systems >> Control System Wiring Diagram

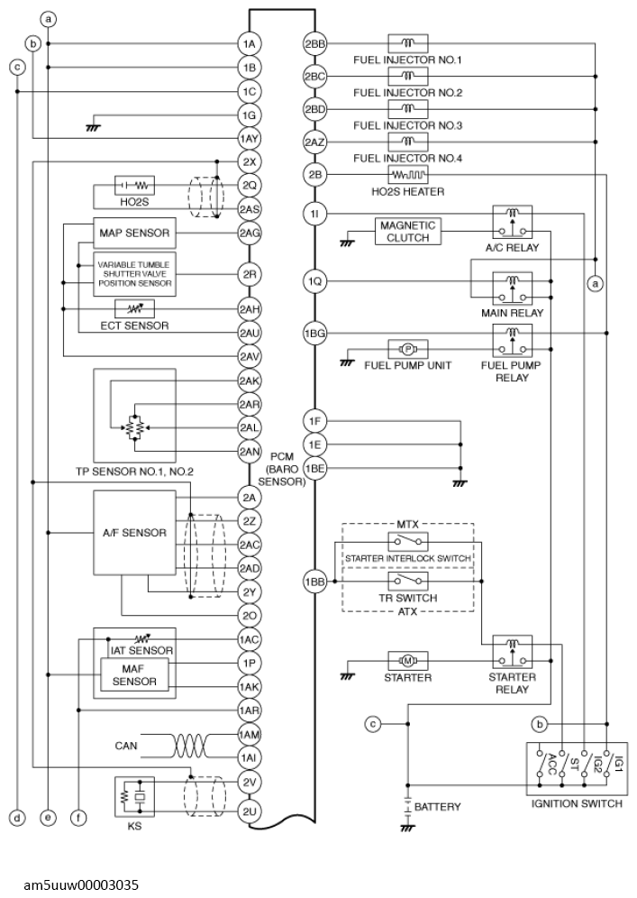
Control System Wiring Diagram

G13726871Courtesy of MAZDA MOTORS CORP.
G13726872Courtesy of MAZDA MOTORS CORP.