lemon-mirror:
Home >> Mazda >> 2016 >> CX-3 Touring, FWD >> Repair and Diagnosis >> Engine Performance >> Engine Control Systems >> Engine Control System (Service Information) >> Control System Wiring Diagram

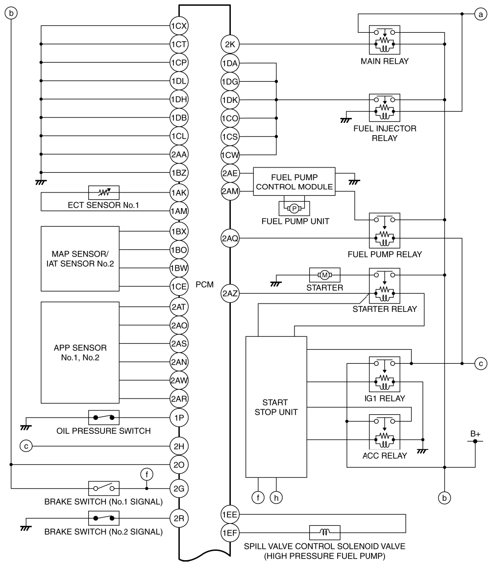
Control System Wiring Diagram

Fig 1: Engine Control System Wiring Diagram (1 Of 3)
G10969046Courtesy of MAZDA MOTORS CORP.
Fig 2: Engine Control System Wiring Diagram (2 Of 3)
G10969047Courtesy of MAZDA MOTORS CORP.
Fig 3: Engine Control System Wiring Diagram (3 Of 3)
G10969048Courtesy of MAZDA MOTORS CORP.