lemon-mirror:
Home >> Mazda >> 2016 >> CX-3 Touring, FWD >> Repair and Diagnosis >> Engine Performance >> Fuel Delivery >> Fuel System >> Fuel System Location Index >> Engine Compartment Side

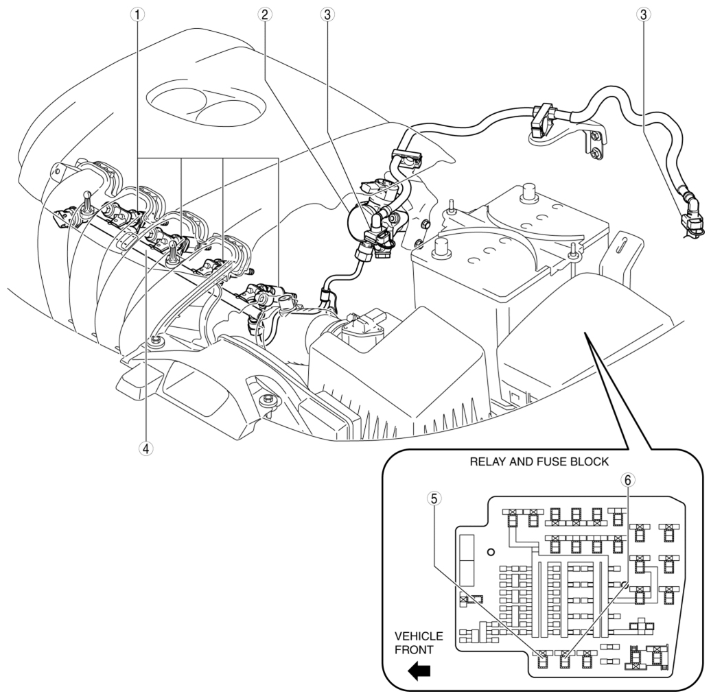
Engine Compartment Side

Fig 1: Fuel System Components Location (Engine Compartment Side)
G10968807Courtesy of MAZDA MOTORS CORP.
COMPONENT DESCRIPTION

1 Fuel injector
(See FUEL INJECTOR REMOVAL/INSTALLATION [SKYACTIV-G 2.0] .)
(See FUEL INJECTOR INSPECTION [SKYACTIV-G 2.0] .)
2 High pressure fuel pump
(See HIGH PRESSURE FUEL PUMP REMOVAL/INSTALLATION [SKYACTIV-G 2.0] .)
(See HIGH PRESSURE FUEL PUMP INSPECTION [SKYACTIV-G 2.0] .)
3 Quick release connector
(See QUICK RELEASE CONNECTOR REMOVAL/INSTALLATION [SKYACTIV-G 2.0] .)
4 Fuel distributor
(See FUEL INJECTOR REMOVAL/INSTALLATION [SKYACTIV-G 2.0] .)
5 Fuel pump relay
(See RELAY INSPECTION .)
6 Fuel injector relay
(See RELAY INSPECTION .)