lemon-mirror:
Home >> Mazda >> 2016 >> CX-5 Touring, FWD >> Repair and Diagnosis >> Engine Performance >> Engine Control Systems >> Engine Control System (Service Information) >> Control System Diagram

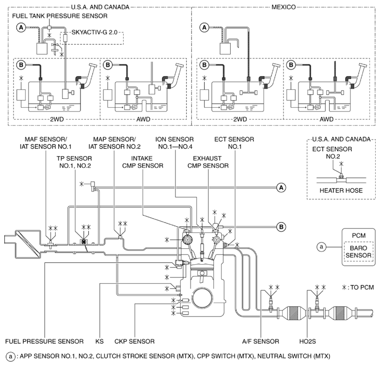
Control System Diagram

Fig 1: Control System Diagram
G10916517Courtesy of MAZDA MOTORS CORP.