lemon-mirror:
Home >> Mazda >> 2016 >> MX-5 Miata Club, Automatic Trans >> Repair and Diagnosis >> Engine Performance >> Engine Control Systems >> Control System Diagram

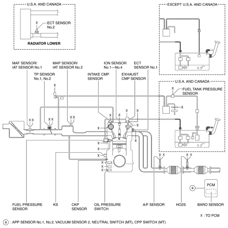
Control System Diagram

Fig 1: Control System Diagram
G10951951Courtesy of MAZDA MOTORS CORP.