lemon-mirror:
Home >> Mazda >> 2016 >> MX-5 Miata Club, Automatic Trans >> Repair and Diagnosis >> Engine Performance >> Engine Control Systems >> Control System Wiring Diagram

Control System Wiring Diagram

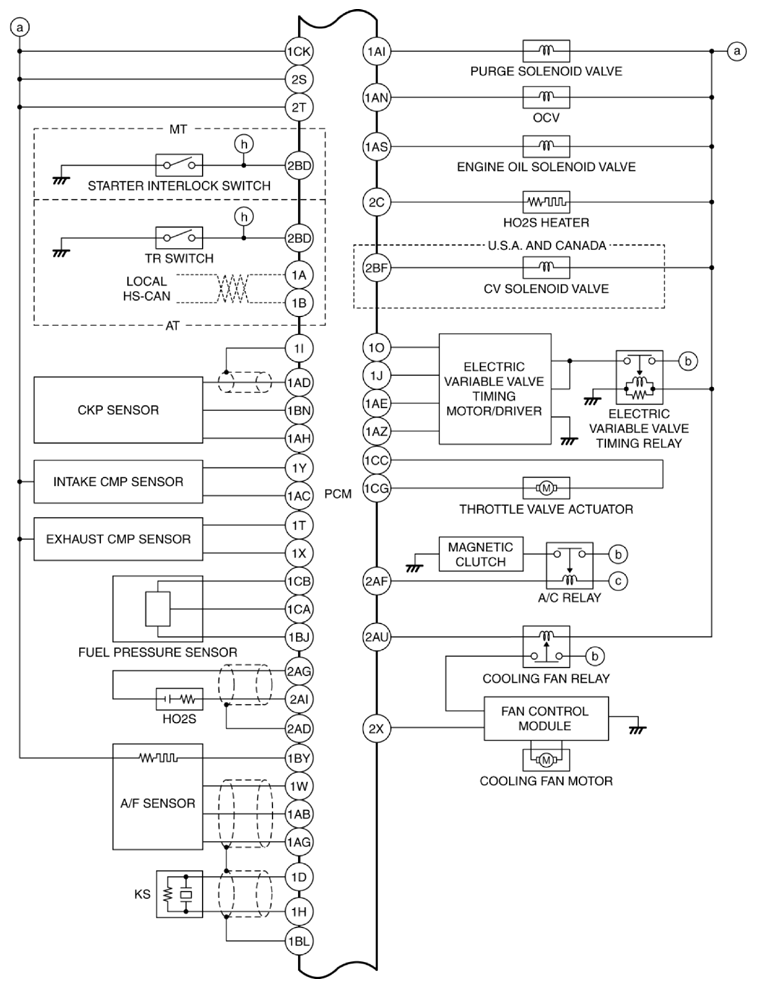
Fig 1: Control System Wiring Diagram (1 Of 3)
G10951952Courtesy of MAZDA MOTORS CORP.
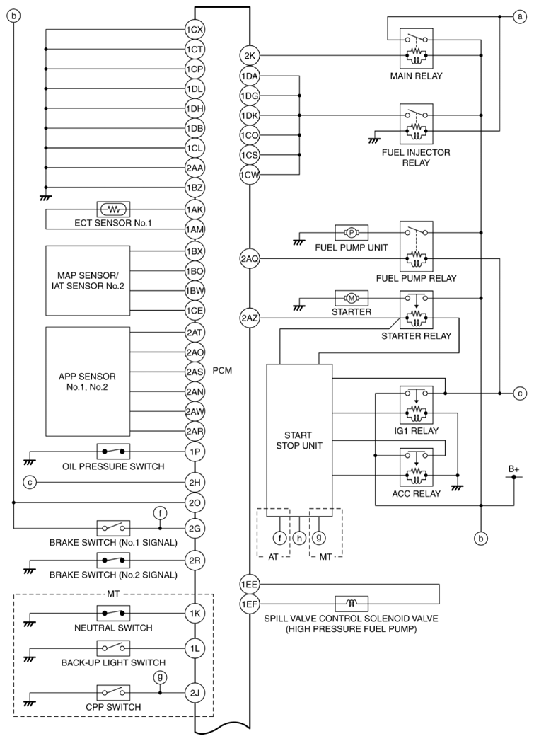
Fig 2: Control System Wiring Diagram (2 Of 3)
G10951953Courtesy of MAZDA MOTORS CORP.
Fig 3: Control System Wiring Diagram (3 Of 3)
G10951954Courtesy of MAZDA MOTORS CORP.