lemon-mirror:
Home >> Mazda >> 2017 >> 6 Touring, Automatic Trans >> Repair and Diagnosis >> Brakes >> Traction Control >> Dynamic Stability Control System (Service Information) >> DSC HU/Cm Removal/Installation >> Notes

DSC HU/Cm Removal/Installation: Notes

WARNING:
  • If the DSC HU/CM configuration is not completed, it could result in an unexpected accident due to the DSC being inoperative. If the DSC HU/CM is replaced, always use the automatic configuration function so that the DSC operation conditions are correct.
  • If the DSC related parts sensor initialization procedure is not completed, the DSC will not operate properly and it might cause an unexpected accident. Therefore, after replacing the DSC HU/CM, always perform the DSC related parts sensor initialization procedure to insure proper DSC operation.
CAUTION:
  • The internal parts of the DSC HU/CM could be damaged if dropped. Be careful not to drop the DSC HU/CM. Replace the DSC HU/CM if it is subjected to an impact.
  • Brake fluid will damage painted surfaces. Be careful not to spill any on painted surfaces. In addition, if there is any brake fluid on the wiring harness, the wire insulation may corrode causing a malfunction such as a short circuit. If brake fluid gets on a painted surface or wiring harness, wash and flush it off completely with water immediately.
NOTE:
  • When the ignition is switched to ON or the engine is started after the DSC HU/CM has been replaced, the DSC CM reads data from the instrument cluster via CAN communication to perform automatic configuration.
  • The DSC HU/CM prior to replacement stores the vehicle specification information.
  • A new DSC HU/CM does not store any vehicle specification information.
  • Tighten the brake pipe flare nut using any commercially available flare nut wrench.
  1. Disconnect the negative battery cable. (See NEGATIVE BATTERY CABLE DISCONNECTION/CONNECTION .)
  2. Remove the plug hole plate. (See PLUG HOLE PLATE REMOVAL/INSTALLATION .)
  3. Remove the bracket.
    Fig 1: Removing Bracket
    G09785862Courtesy of MAZDA MOTORS CORP.
  4. Remove in the order indicated in the table.
  5. Install in the reverse order of removal.
  6. After installation, add brake fluid, bleed the air, and inspect for fluid leakage. (See BRAKE FLUID AIR BLEEDING .)
  7. Perform the following procedure to implement the DSC HU/CM automatic configuration.
    1. Switch the ignition ON (engine off) and wait for 10 s or more.
    2. Switch the ignition off and wait for 3 s or more.
    3. Switch the ignition ON (engine off) and wait for 3 s or more.
    4. The automatic configuration procedure is completed.
  8. Perform the DSC related parts sensor initialization procedure (only when replacing it with a new one). (See DSC RELATED PARTS SENSOR INITIALIZATION PROCEDURE .)
  9. Perform the TPMS initialization procedure. (Vehicles with TPMS) (See TIRE PRESSURE MONITORING SYSTEM INITIALIZATION PROCEDURE .)
  10. Perform the MRCC initialization setting. (See MRCC INITIALIZATION SETTING .)
  11. Clear the DTCs from the memory. (See CLEARING DTC [DYNAMIC STABILITY CONTROL (DSC)] .)

Vehicles without Mazda Radar Cruise Control (MRCC) system and Smart City Brake Support (SCBS) 

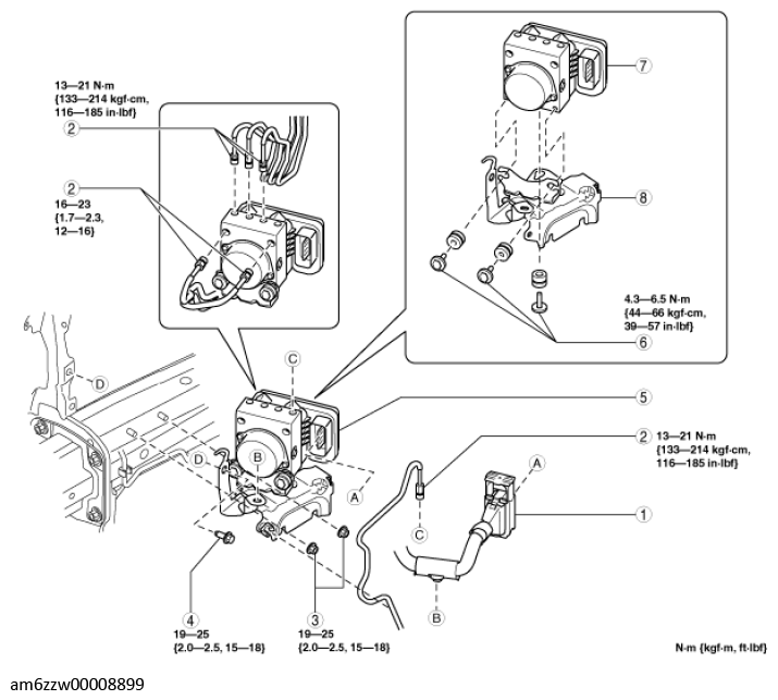
Fig 2: Exploded View Of DSC HU/CM With Torque Specification
G11546490Courtesy of MAZDA MOTORS CORP.
COMPONENT DESCRIPTION

1 Connector
(See Connector Removal Note .)
(See Connector Installation Note .)
2 Brake pipe
(See Brake Pipe Removal Note .)
(See Brake Pipe Installation Note .)
3 Nut
4 Bolt
5 DSC HU/CM component
6 Bolt
7 DSC HU/CM
8 Bracket

Vehicles with Mazda Radar Cruise Control (MRCC) system or Smart City Brake Support (SCBS) 

Fig 3: Exploded View Of DSC HU/CM With Torque Specification
G11546491Courtesy of MAZDA MOTORS CORP.
COMPONENT DESCRIPTION

1 Connector
(See Connector Removal Note .)
(See Connector Installation Note .)
2 Brake pipe
(See Brake Pipe Removal Note .)
(See Brake Pipe Installation Note .)
3 Nut
4 Bolt
5 DSC HU/CM component
6 Bolt
7 DSC HU/CM
8 Bracket