lemon-mirror:
Home >> Mazda >> 2017 >> CX-5 Touring, FWD >> Repair and Diagnosis >> Engine Performance >> Engine Control Systems >> Control System Diagram

Control System Diagram

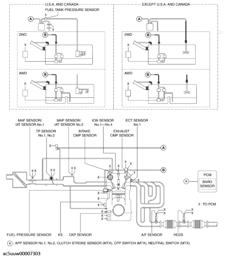
Fig 1: Fuel Tank Pressure Control System Diagram
G11427355Courtesy of MAZDA MOTORS CORP.