lemon-mirror:
Home >> Mazda >> 2017 >> CX-5 Touring, FWD >> Repair and Diagnosis >> Engine Performance >> Engine Control Systems >> Control System Wiring Diagram

Control System Wiring Diagram

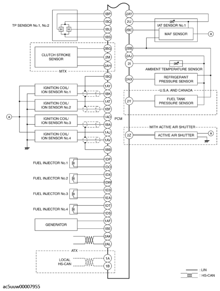
Fig 1: Control System Circuit Diagram (1 Of 3)
G11427361Courtesy of MAZDA MOTORS CORP.
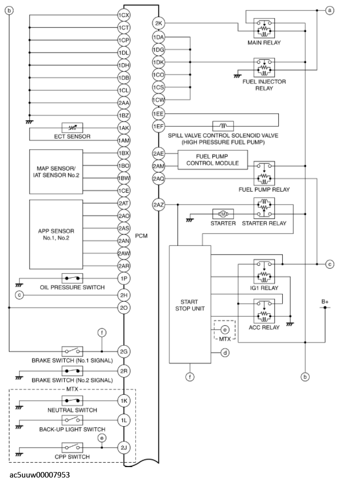
Fig 2: Control System Circuit Diagram (2 Of 3)
G11427362Courtesy of MAZDA MOTORS CORP.
Fig 3: Control System Circuit Diagram (3 Of 3)
G11427363Courtesy of MAZDA MOTORS CORP.