lemon-mirror:
Home >> Mazda >> 2018 >> 3 Touring, 4D Hatchback, Automatic Trans >> Repair and Diagnosis >> Engine Performance >> Engine Control Systems >> Control System Wiring Diagram

Control System Wiring Diagram

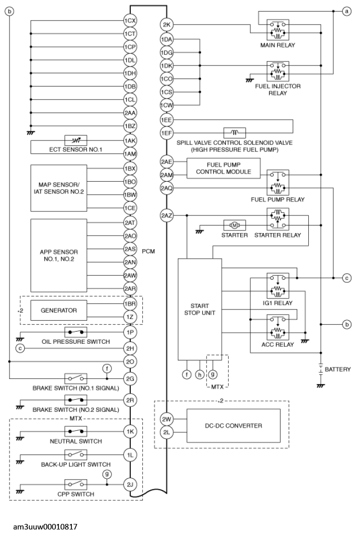
Fig 1: Control System Wiring Diagram - Skyactiv-G 2.0, Skyactiv-G 2.5 (1 Of 3)
G11450587Courtesy of MAZDA MOTORS CORP.
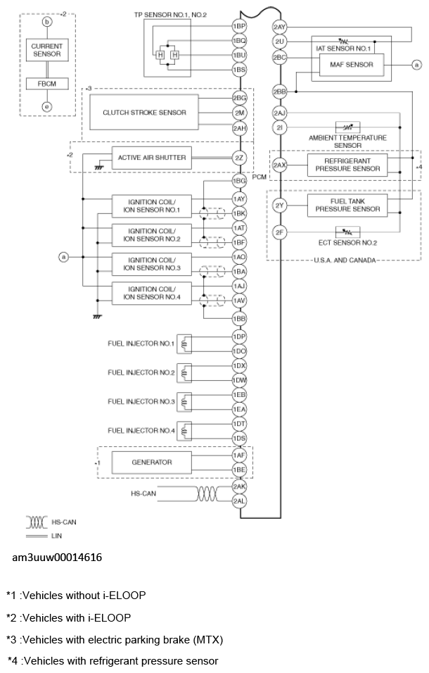
Fig 2: Control System Wiring Diagram - Skyactiv-G 2.0, Skyactiv-G 2.5 (2 Of 3)
G11450588Courtesy of MAZDA MOTORS CORP.
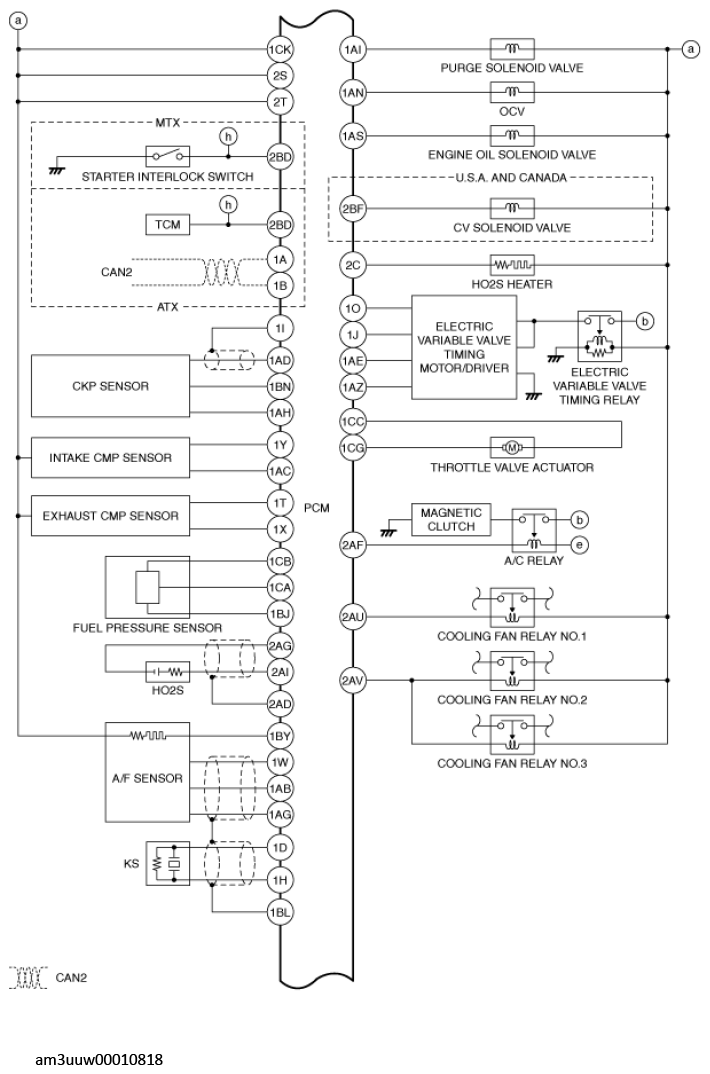
Fig 3: Control System Wiring Diagram - Skyactiv-G 2.0, Skyactiv-G 2.5 (3 Of 3)
G11450589Courtesy of MAZDA MOTORS CORP.