lemon-mirror:
Home >> Mazda >> 2018 >> 6 Signature >> Repair and Diagnosis >> Engine Performance >> Engine Control Systems >> Engine Control System (VIN Y) >> Control System Wiring Diagram

Control System Wiring Diagram

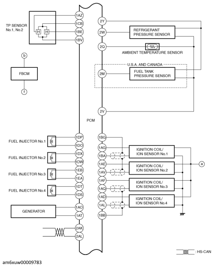
Fig 1: Control System Wiring Diagram (1 Of 4)
G12231996Courtesy of MAZDA MOTORS CORP.
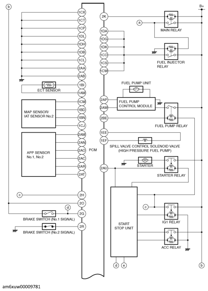
Fig 2: Control System Wiring Diagram (2 Of 4)
G12231997Courtesy of MAZDA MOTORS CORP.
Fig 3: Control System Wiring Diagram (3 Of 4)
G12231998Courtesy of MAZDA MOTORS CORP.
Fig 4: Control System Wiring Diagram (4 Of 4)
G12231999Courtesy of MAZDA MOTORS CORP.