lemon-mirror:
Home >> Mazda >> 2018 >> CX-3 Touring, AWD >> Repair and Diagnosis >> Engine Performance >> Engine Control Systems >> Control System Wiring Diagram >> With Coolant Control Valve

With Coolant Control Valve

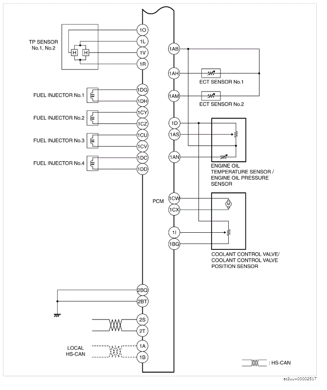
Fig 1: Control System Wiring Diagram - SKYACTIV-G 2.0 (With Coolant Control Valve) (1 Of 3)
G00400255Courtesy of MAZDA MOTORS CORP.
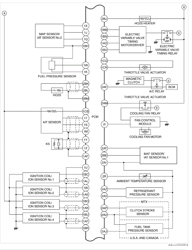
Fig 2: Control System Wiring Diagram - SKYACTIV-G 2.0 (With Coolant Control Valve) (2 Of 3)
G00400256Courtesy of MAZDA MOTORS CORP.
Fig 3: Control System Wiring Diagram - SKYACTIV-G 2.0 (With Coolant Control Valve) (3 Of 3)
G00400257Courtesy of MAZDA MOTORS CORP.