lemon-mirror:
Home >> Mazda >> 2021 >> 6 Signature >> Repair and Diagnosis >> Body & Frame >> Windows >> Glass/Windows/Mirrors >> Power Outer Mirror Switch Inspection

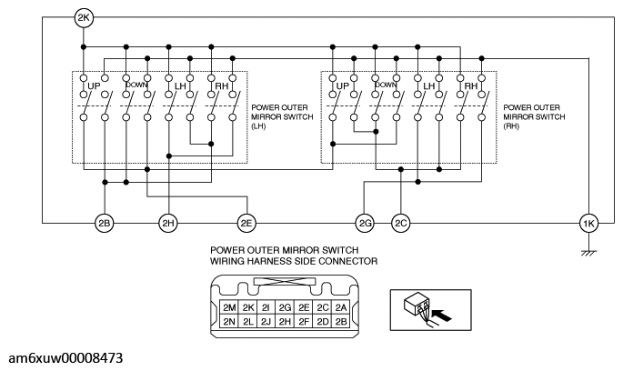
Power Outer Mirror Switch Inspection

  1. Disconnect the negative battery terminal. (See NEGATIVE BATTERY TERMINAL DISCONNECTION/CONNECTION .)
  2. Remove the power outer mirror switch. (See POWER OUTER MIRROR SWITCH REMOVAL/INSTALLATION .)
  3. Verify that the continuity between the power outer mirror switch terminals is as indicated in the table.
G11544325Courtesy of MAZDA MOTORS CORP.
G12237389Courtesy of MAZDA MOTORS CORP.