lemon-mirror:
Home >> Mazda >> 2021 >> CX-5 Signature >> Repair and Diagnosis >> External Pages >> Different car >> Section 187 (Engine Control System) >> Control System Diagram

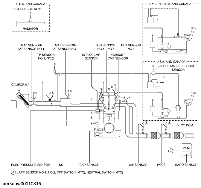
Control System Diagram

WARNING: This page is about a different car, the 2017 Mazda 3. However, it is still accessible from the selected car via links, so may be relevant.
Fig 1: Control System Diagram (Skyactiv-G 2.0, Skyactiv-G 2.5)
G11450583Courtesy of MAZDA MOTORS CORP.