lemon-mirror:
Home >> Mazda >> 2022 >> MX-5 Miata Club >> Repair and Diagnosis >> Engine Performance >> Engine Control Systems >> Control System Diagram

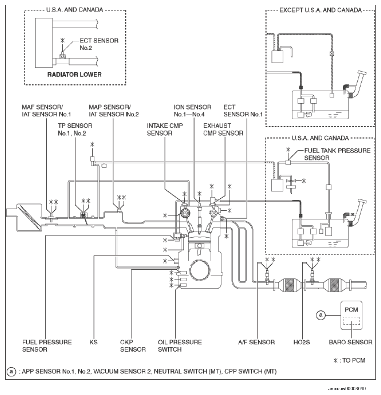
Control System Diagram

G14588463Courtesy of MAZDA MOTORS CORP.