lemon-mirror:
Home >> Mazda >> 2022 >> MX-5 Miata Club >> Repair and Diagnosis >> Engine Performance >> Engine Control Systems >> Control System Wiring Diagram

Control System Wiring Diagram

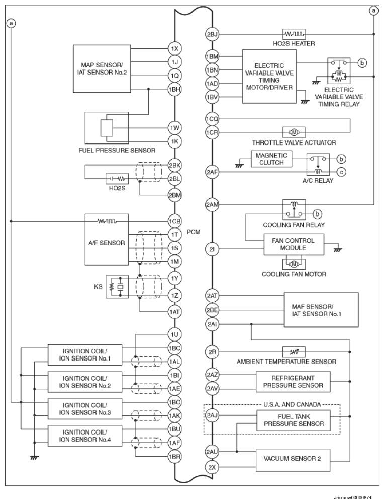
G14588466Courtesy of MAZDA MOTORS CORP.
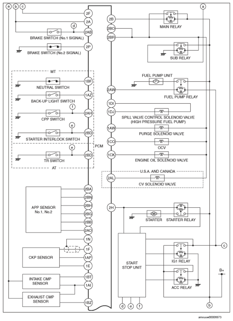
G14588467Courtesy of MAZDA MOTORS CORP.
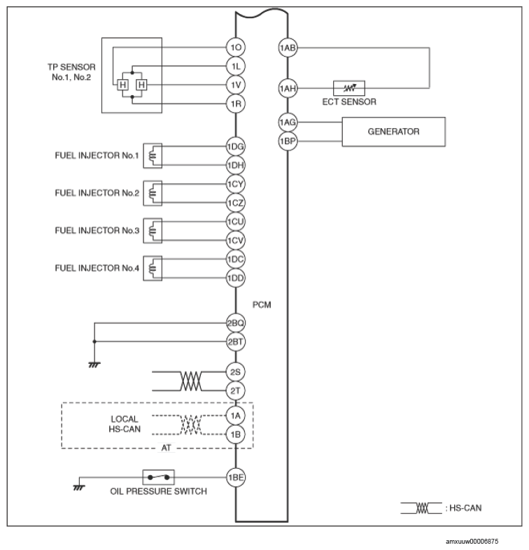
G14588468Courtesy of MAZDA MOTORS CORP.