lemon-mirror:
Home >> Mercedes Benz >> 1987 >> 560SL >> Repair and Diagnosis >> Electrical >> Charging Systems >> Generators & Regulators >> On-Vehicle Testing >> Wiring Continuity Test

Wiring Continuity Test

  1. Connect a voltmeter between alternator "B+" terminal and ground. Voltmeter should indicate battery voltage. If not, check wiring between alternator and battery.
  2. Turn ignition on and check that alternator indicator light comes on. If light does not come on, check wiring between alternator and warning light, including indicator bulb.
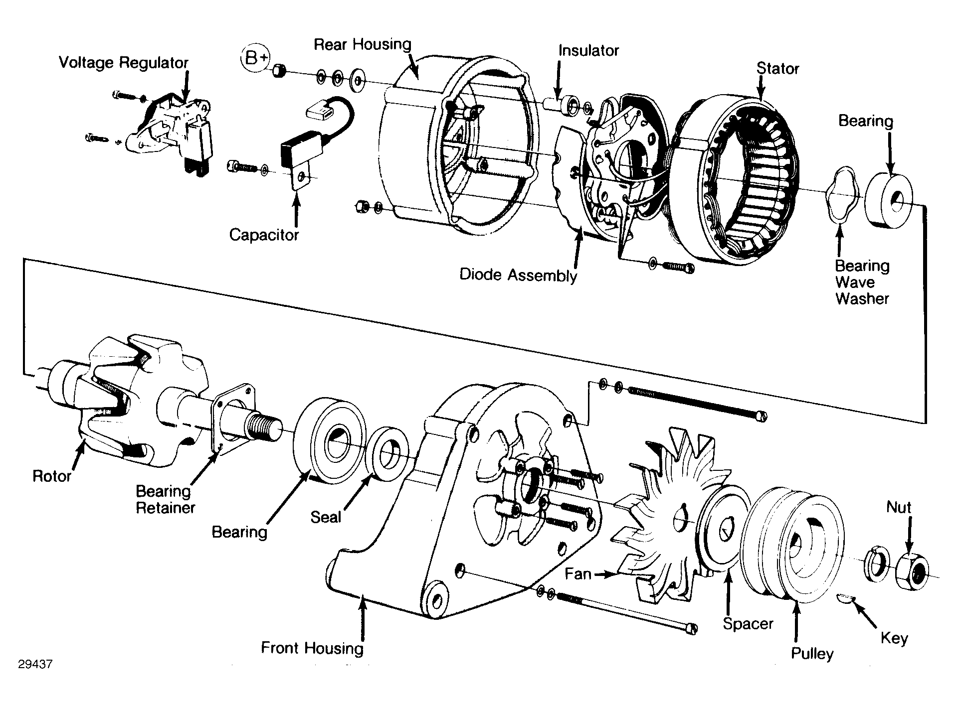
Fig 1: Exploded View of Bosch 55-Ampere Alternator
G29437