lemon-mirror:
Home >> Mercedes Benz >> 1988 >> 560SL >> Repair and Diagnosis >> Engine Performance >> System >> Cis-E System >> Wiring Diagrams

Wiring Diagrams

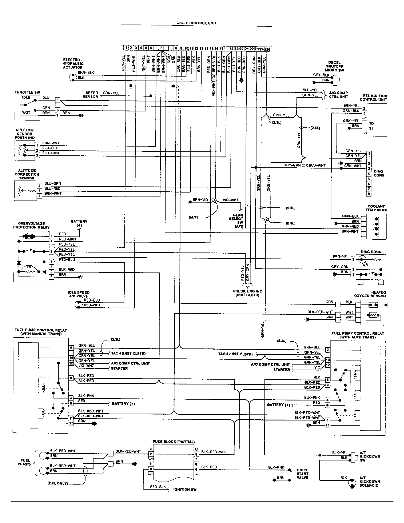
Fig 1: Wiring Diagram For 190E 2.3L & 2.6L (Calif.)
G94918Courtesy of MERCEDES-BENZ OF NORTH AMERICA.
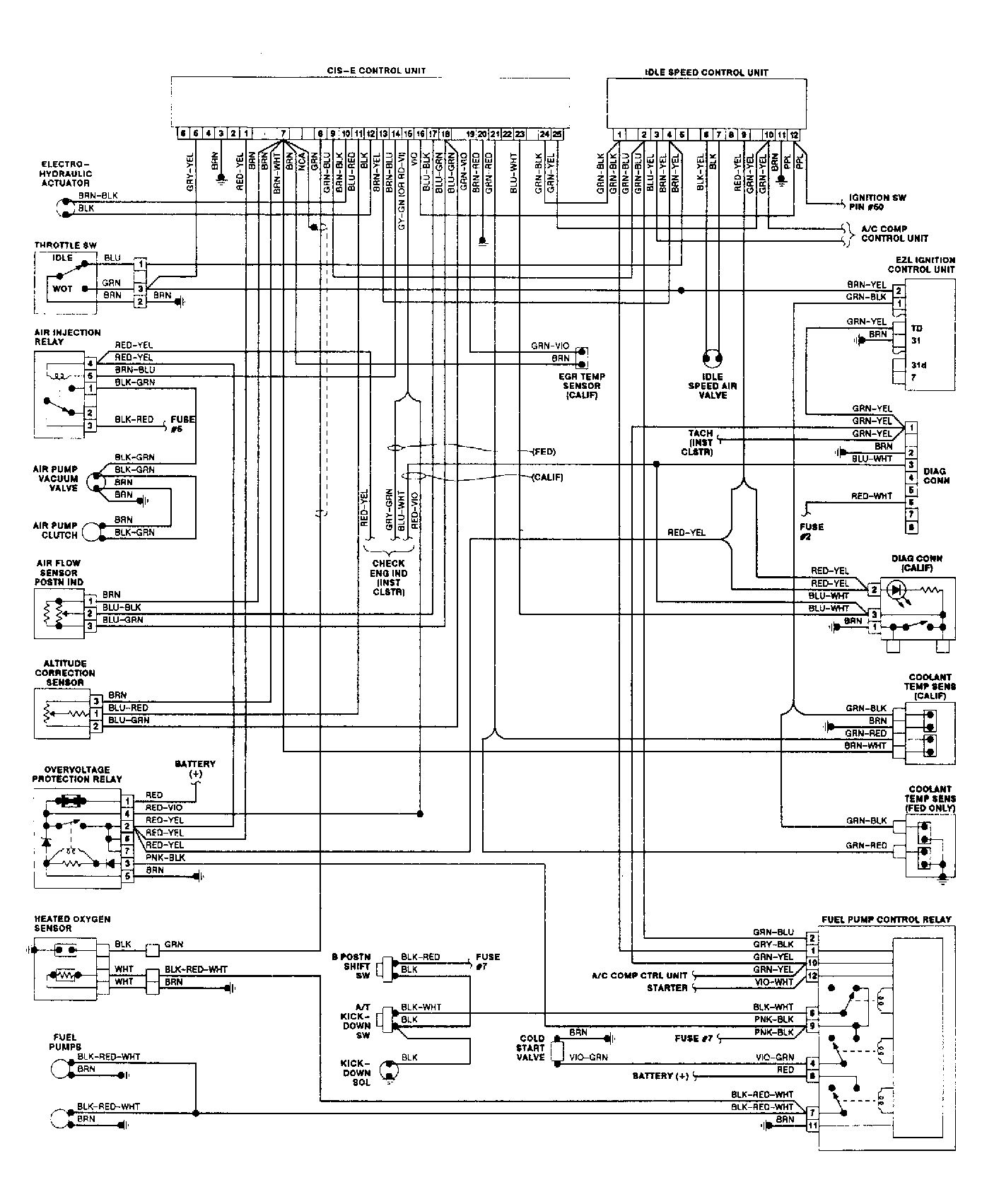
Fig 2: Wiring Diagram For 190E 2.3L & 2.6L (Fed.)
G94919Courtesy of MERCEDES-BENZ OF NORTH AMERICA.
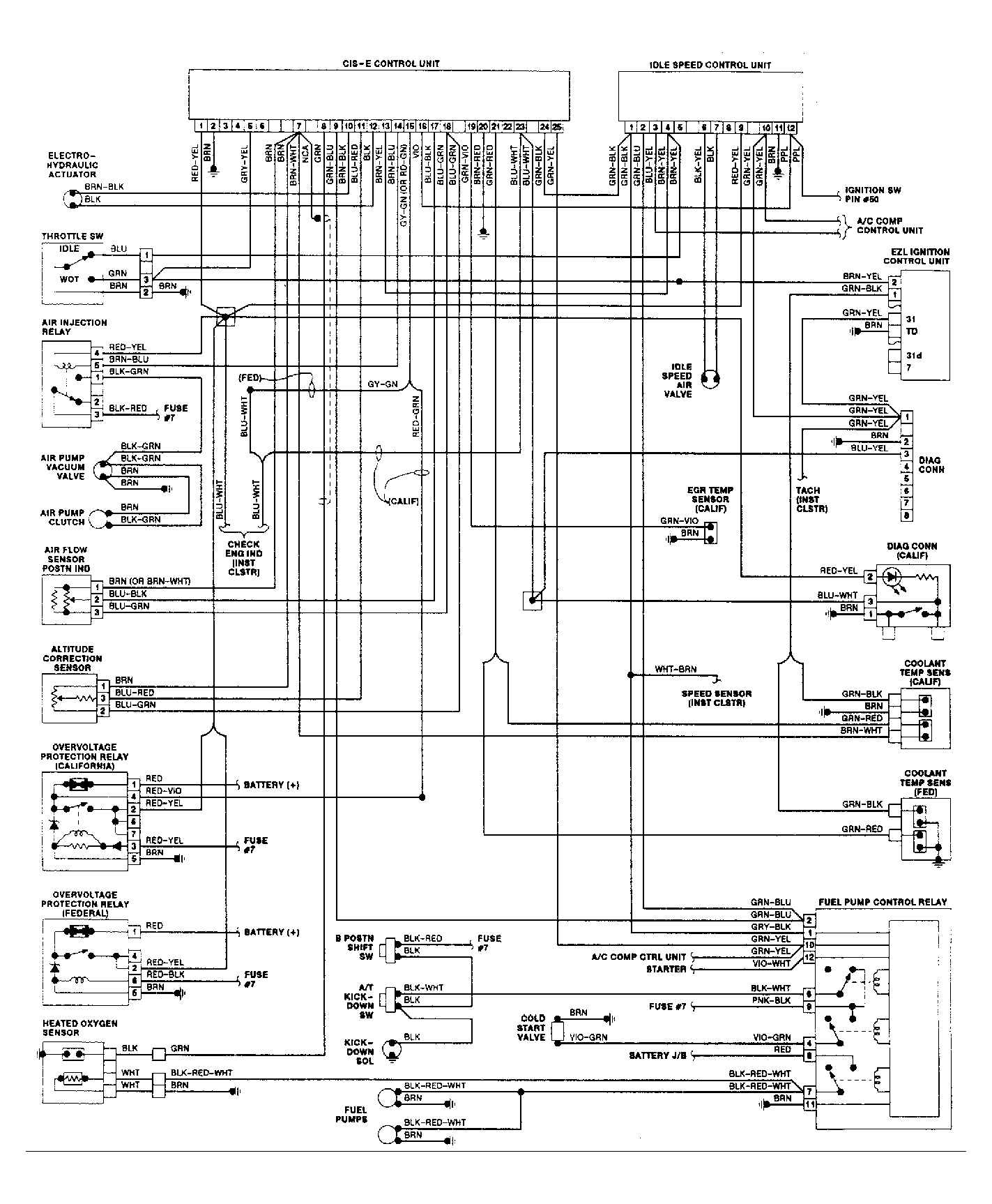
Fig 3: Wiring Diagram For 260E, 300E, CE & TE
G94920Courtesy of MERCEDES-BENZ OF NORTH AMERICA.
Fig 4: Wiring Diagram For 300 SE & SEL
G94921
Fig 5: Wiring Diagram For 420 & 560 Series (Exc. 560SL)
G94922
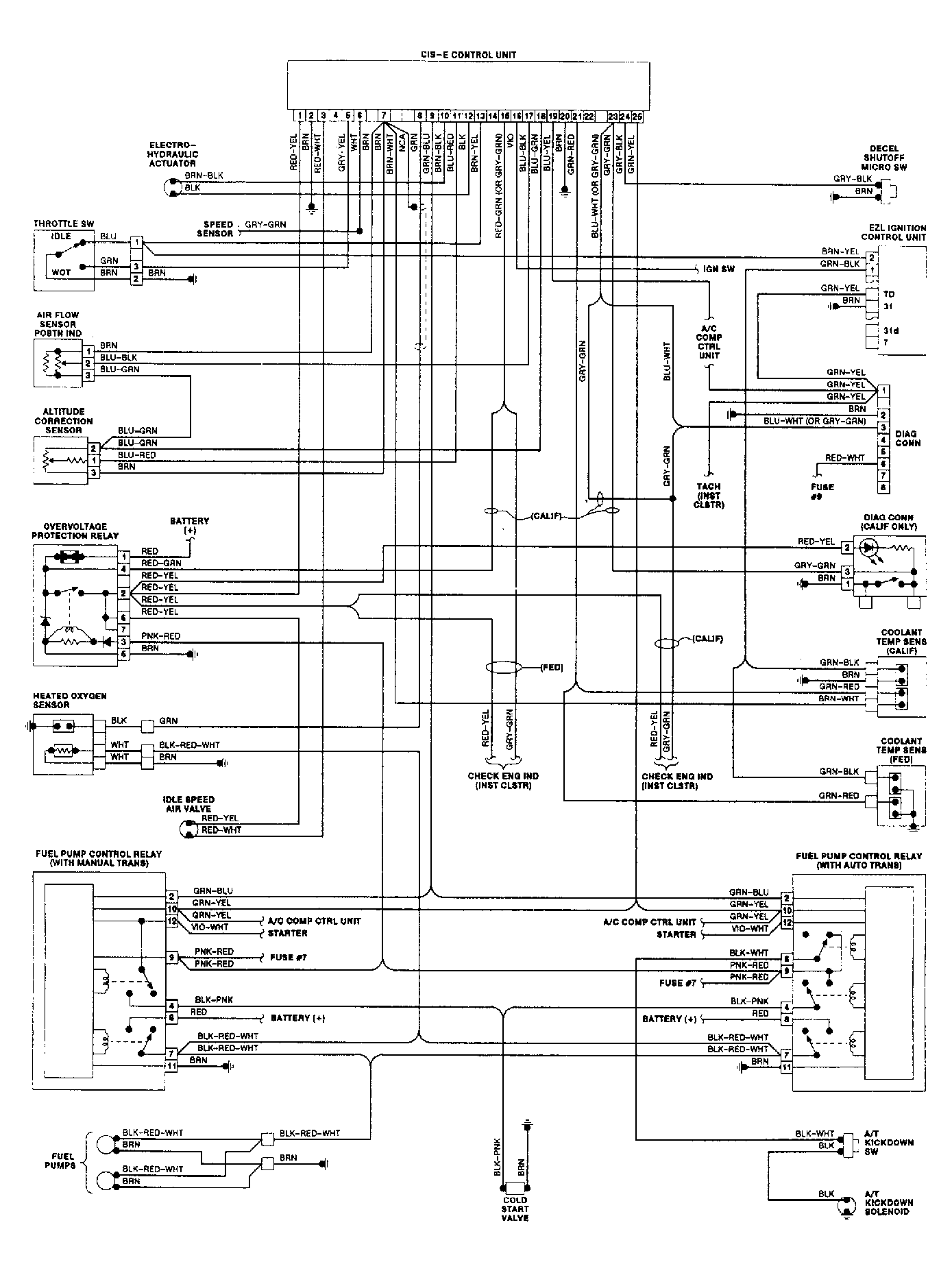
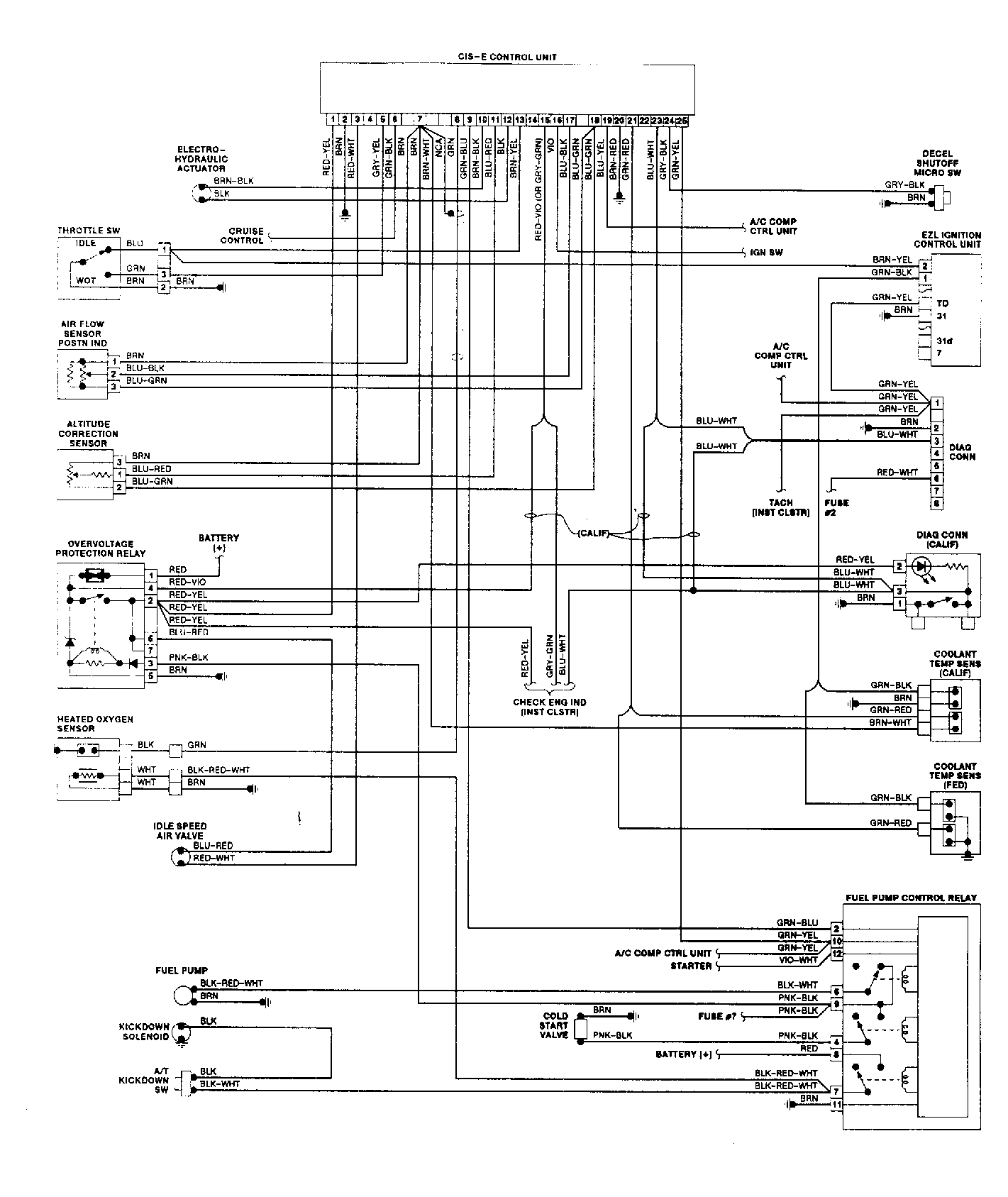
Fig 6: Wiring Diagram For 560SL
G94923