lemon-mirror:
Home >> Mercedes Benz >> 1998 >> CL600 >> Repair and Diagnosis >> Engine Performance >> Ignition System >> Mixture Formation - 140 Chassis >> Basic Knowledge >> Ignition system with segment control function - GF07.51-P-2007G

Ignition system with segment control function - GF07.51-P-2007G

ENGINE 111.960 in MODEL 124.022 /042 /062 /082 

ENGINE 104.942 in MODEL 124.008 /028 /029 /088 

ENGINE 104.992 in MODEL 124.032 /052 /066 /092 

ENGINE 104.943 in MODEL 129.058 up to 31.7.95 

ENGINE 104.991 in MODEL 129.063 up to 31.7.95 

ENGINE 104.944 in MODEL 140.028 up to 31.7.95 

ENGINE 104.994 in MODEL 140.032 /033 up to 31.7.95 

ENGINE 111.945 in MODEL 202.020 /080 up to 31.1.96 with CODE (498) Japanese version 

ENGINE 111.961 in MODEL 202.022 

Shown on engine 111 

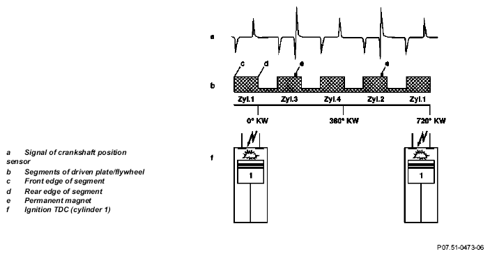
The HFM-SFI control module (N3/4) detects the ignition coil (ignition circuit) which has to be actuated from the signal pattern of the crankshaft position sensor (L5). An additional negative pulse is generated in the crankshaft position sensor (L5) by the permanent magnet (e) in the driven plate/flywheel segment (b). This pulse is used for detecting cylinder 2 + 3 for actuating the ignition coil (T1/2); segment without permanent magnet for actuation of ignition coil (T1/1) (cylinders 1 + 4). The high voltage is distributed rotorless (no high voltage distributor).

Fig 1: Ignition System With Segment Control Function Diagram (Shown On Engine 111)
G05436778Courtesy of MERCEDES-BENZ OF NORTH AMERICA.

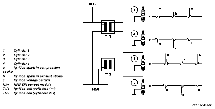
The ignition spark jumps across simultaneously at the spark plugs of 2 cylinders, in the case of the one cylinder in the compression stroke, and in the case of the other cylinder in the exhaust stroke. The ignition spark which "jumps across" in the compression stroke, requires a high ignition voltage, while the ignition spark which "jumps across" in the exhaust stroke, requires a low ignition voltage.

Fig 2: Ignition System With Segment Control Function Diagram (Shown On Engine 111)
G05436779Courtesy of MERCEDES-BENZ OF NORTH AMERICA.

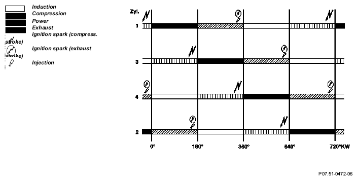
Fuel injection/ignition chart 

Fig 3: Fuel Injection/Ignition Chart
G05436780Courtesy of MERCEDES-BENZ OF NORTH AMERICA.

Advantages of the rotorless high voltage distribution are:

  1. Determining ignition angle in line with the output signals, actuating ignition coils and triggering ignition sparks 

    For determining the ignition angle, the HFM-SFI control module (N3/4) essentially analyzes the following signals from

    • hot film mass air flow sensor,
    • crankshaft position sensor,
    • camshaft position sensor,
    • HFM-SFI variable reference resistor,
    • intake air temperature sensor,
    • coolant temperature sensor

    and interrupts the primary circuit of the ignition coil at the ground side at the moment of the ignition timing point.

    IMPORTANT The ignition angle can at present be tested only with the hand-held tester (HHT).

  2. Adaptation of ignition angle 
    1. 2.1 Catalytic converter heating  (warming-up phase)

      The ignition angle is continuously "retarded" for about 30 seconds in order to more rapidly heat up the catalytic converter to its operating temperature, if

      • coolant temperature at start > 15 °C and < 40 °C,
      • selector lever position P or N

      At the same time, the idle speed is increased to 1150 ± 100 rpm by the idle speed control.

    2. 2.2 Idling 

      The ignition angle can be "retarded" or "advanced" by up to 8° crank angle in order to assist the idle speed control.

      Altering the ignition angle provides a more rapid control than altering the position of the throttle valve (idle speed control).

    3. 2.3 Inertia fuel shutoff 

      The ignition angle is briefly "retarded" when combustion is recommenced (actuation of fuel injectors) in order to prevent a sudden increase in torque.

    4. 2.4 Intake air temperature/coolant temperature 

      The ignition angle is "retarded" when the engine is operating under load, in line with the intake air temperature and coolant temperature, in order to prevent any tendency for the engine to knock at high intake air and coolant temperatures. The ignition angle is "retarded" if

      • intake air temperature > 35 °C,
      • coolant temperature > 105 °C.

      IMPORTANT The values of the retardation of the ignition angle on the basis of intake air temperature and coolant temperature are added together.

    5. 2.5 Transmission overload protection 

      The ignition angle is briefly "retarded" during a gearshift, and the engine torque thus reduced, in order to protect the shift elements of the automatic transmission from excessive thermal stresses during a power shift (1-2-1, 2-3-2).

    6. 2.7 Knock sensor system (KSS) 

      If uncontrolled combustion (knocking) occurs at one or several cylinders, the ignition angle at the relevant cylinder or cylinders is "retarded".