lemon-mirror:
Home >> Mercedes Benz >> 2000 >> ML430 >> Repair and Diagnosis >> Engine Performance >> Ignition System >> Electrical System - Engine -- 163 Chassis >> Basic Knowledge >> Ignition coils, function - GF15.10-P-3102-02A

Ignition coils, function - GF15.10-P-3102-02A

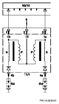
Each spark plug is actuated separately via its own ignition coil by the ME control unit. Both ignition coils of a cylinder are combined to form a dual ignition coil.

The ME control unit actuates the primary wirings (L1) of the double ignition coils at circuits 1 a or 1 b with ground.

The primary current flow is interrupted at the moment of ignition timing point. As a result of the sudden collapse of the magnetic field the ignition voltage is generated in the secondary windings (L2). The ignition voltage flows through the high voltage connection (4a and 4b) and through the spark plug connector to the respective spark plug (R4).

The voltage supply of the double ignition coils is protected at circuit 15 (a).

Diodes are built-in to suppress additional ignition sparks when the primary current is switched on.

IMPORTANT

Because of the diodes, it is not possible to measure the resistance in the secondary windings.

Fig 1: Identifying Ignition Coils, Function
G04606215